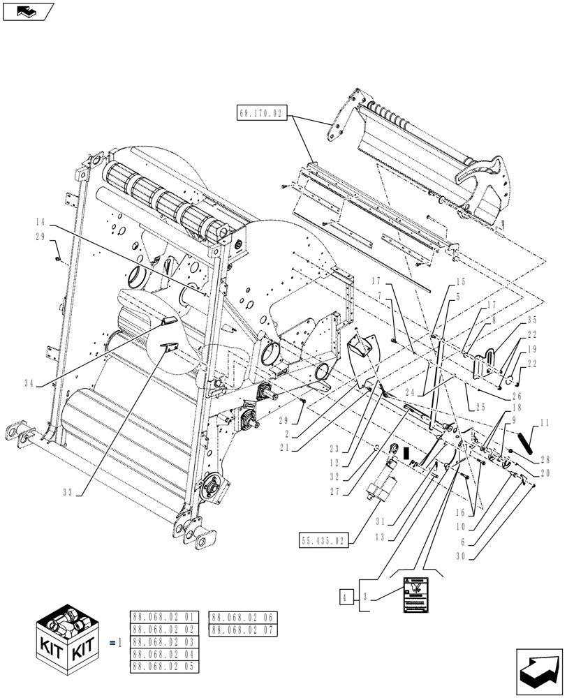
Запчасти Case IH RB455A (88.068.02[06]) - DIA KIT, DELUXE NET, NET WRAP, RH (88) - ACCESSORIES

Схема запчастей Case IH RB455A - (88.068.02[06]) - DIA KIT, DELUXE NET, NET WRAP, RH (88) - ACCESSORIES
88.068.02 04
29
26
35
29
9
23
27
34
1
17
15
24
10
12
28
3
17
14
33
18
21
22
6
22
25
19
13
30
20
5
11
8
32
2
7
31
16
4
88.068.02 07
55.435.02
home
88.068.02 06
88.068.02 01
68.170.02
88.068.02 03
88.068.02 05
88.068.02 02
FIT
1:1
100%

Артикул

Название

Примечание

Количество

1

84134345

DIA KIT, HARVESTER

Deluxe Net

1шт.

Refer to Installation Instructions for Correct Assembly Procedure

1шт.

Includes: Parts Shown on Figures 88.068.02 01 thru 07.

1шт.

2

84236845

SUPPORT

1шт.

3

84370406

WARNING DECAL

1шт.

4

84300955

SUPPORT

RH, Includes: Ref. 3

1шт.

5

84255884

LINK

1шт.

6

86617811

PLATE

1шт.

7

87052763

GUIDE

1шт.

8

87010284

CAMSHAFT BEARING

1шт.

9

66006

BALL BEARING,15.88mm ID x 40mm OD x 12mm W

1шт.

10

86619764

SPACER

1шт.

11

86572215

SPRING,Extension, 25.58mm OD x 240.18mm L

1шт.

12

631201

EYEBOLT

1шт.

13

87675529

PIN,12.5mm OD x 69.85mm L

1шт.

14

86619060

CARRIAGE BOLT,M8 x 1.25 x 16mm, Cl 8.8

4шт.

15

9804263

BOLT,M10 x 49.2mm, Cl 8.8

1шт.

16

9804264

FLANGE BOLT,M10 x 50mm, 26mm Thd, Cl 8.8

4шт.

17

86631064

WASHER

2шт.

18

87365

WASHER,0.66" ID x 1.31" OD x 0.1" Thk

2шт.

19

136443

WASHER,10.32mm ID x 57.15mm OD x 4.8mm Thk

1шт.

20

9804276

FLANGE NUT,Hex, M6 x 1, Cl 8

3шт.

21

9804277

FLANGE NUT,Hex, M8 x 1.25, Cl 8

4шт.

22

9804278

FLANGE NUT,M10 x 1.5, Cl 8

5шт.

23

9628503

NUT,3/8"-16, G5

2шт.

24

80702

WASHER,0.44" ID x 1" OD x 0.08" Thk

2шт.

25

80855

NUT,Hex, 3/8" - 24

1шт.

26

80722

LUBE NIPPLE,3/16" x .55" lg, Drive

1шт.

27

9706717

BOLT,Hex, M12 x 1.75 x 70mm, Cl 8.8

1шт.

28

9804279

FLANGE NUT,Hex, M12, Cl 8

2шт.

29

9804258

BOLT,Hex, M8 x 1.25 x 20mm, Cl 8.8

4шт.

30

87547587

LOCK NUT,Hex, M10 x 1.5, Cl 10

1шт.

31

270964

COTTER PIN,3/8" x 1.62" x .094", Int Hair

1шт.

32

86637848

WASHER,13.5mm ID x 38.1mm OD x 3.68mm Thk

1шт.

33

84370400

DEFLECTOR

RH

1шт.

34

84370399

DEFLECTOR

LH

1шт.

35

84255867

MOUNTING PLATE

1шт.

Выбрано товаров: 37