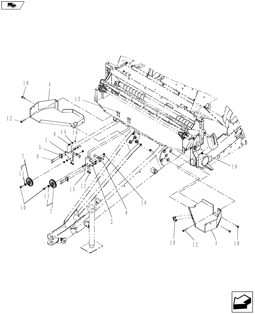
Запчасти Case IH RB455A (90.105.08) - TWINE BOX, TWINE/NET (90) - PLATFORM, CAB, BODYWORK AND DECALS

Схема запчастей Case IH RB455A - (90.105.08) - TWINE BOX, TWINE/NET (90) - PLATFORM, CAB, BODYWORK AND DECALS
17
16
12
5
2
home
18
19
8
14
7
10
1
7
9
4
15
11
10
11
13
10
18
12
6
3
FIT
1:1
100%

Артикул

Название

Примечание

Количество

1

84269565

MOUNT

RH

1шт.

2

84237857

MOUNT

LH

1шт.

3

84255919

TWINE BOX

LH

1шт.

4

84255913

TWINE BOX

RH

1шт.

5

9820171

BRACKET

2шт.

6

86629062

GUIDE

Includes: Ref. 11

2шт.

7

87038785

PULLEY ASSY.

2шт.

8

29840

SPRING,Compression, 11.91mm OD x 25.4mm L

4шт.

9

86511840

BOLT,Hex Flng, M6 x 1 x 40mm, Cl 8.8

4шт.

10

9804262

BOLT,M10 x 39.2mm, Cl 8.8

6шт.

11

748669

BALL BEARING,10mm ID x 30mm OD x 9mm W

2шт.

12

9804265

FLANGE BOLT,Hex, M10 x 60mm, Cl 8.8

2шт.

13

86619060

CARRIAGE BOLT,M8 x 1.25 x 16mm, Cl 8.8

4шт.

14

80701

WASHER,0.31" ID x 0.73" OD x 0.07" Thk

4шт.

15

86511323

WASHER,10.5mm ID x 20mm OD x 2mm Thk

4шт.

16

353308

NUT,M6 x 1.0, Cl 8

4шт.

17

9804277

FLANGE NUT,Hex, M8 x 1.25, Cl 8

4шт.

18

9804278

FLANGE NUT,M10 x 1.5, Cl 8

8шт.

19

52367

HOLDER

Shear Bolt

1шт.

Выбрано товаров: 19