Качественные детали и логистика
Оригинальные и аналоговые запчасти с доставкой по России, Казахстану и Беларуси
©2022 PartSell ООО "Система" ИНН 2463123282 ОГРН 1212400004838
Центральный офис: г. Красноярск, Академика Киренского, д.87, пом.4
Телефон: 8 (800) 777-65-74 Email: zakaz@partsell.ru
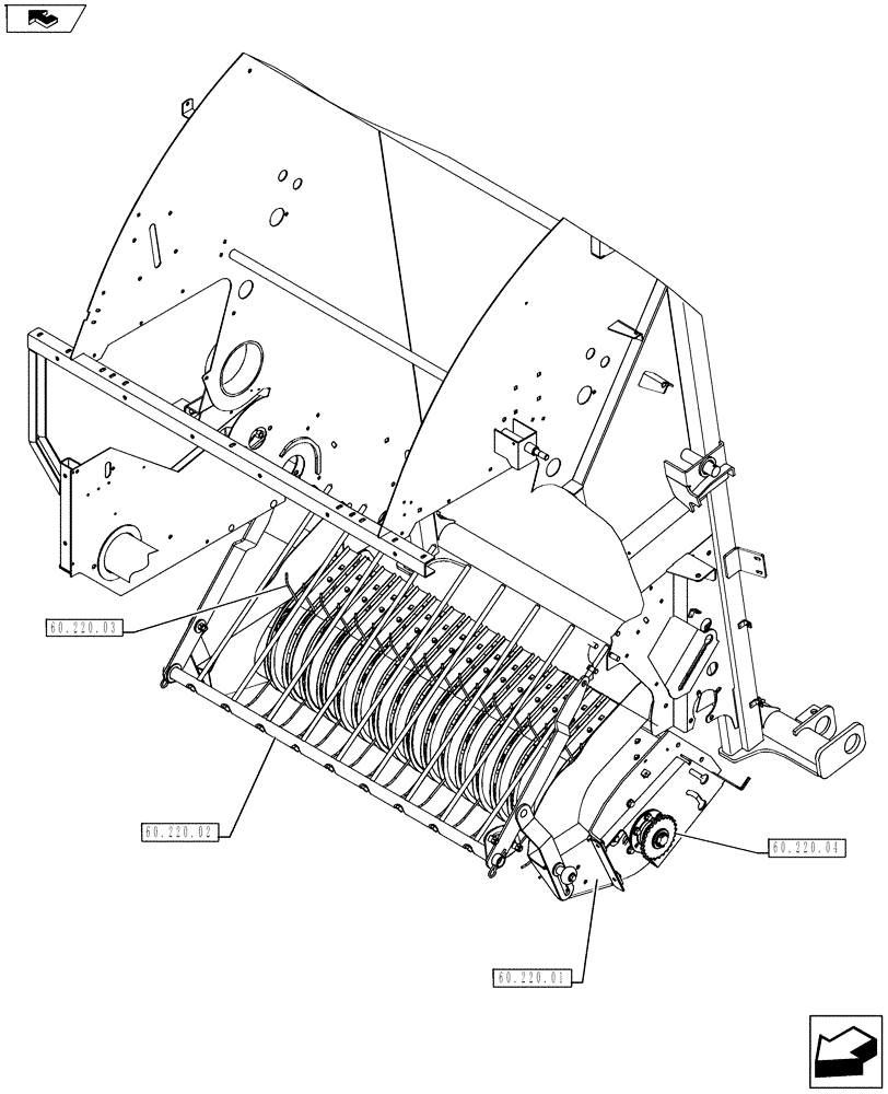
(00.000.60) - PRODUCT FEEDING
№
Артикул
Название
Примечание
Количество
60.220.01
STANDARD PICKUP
1шт.
60.220.02
WINDGUARD
60.220.03
REEL
60.220.04
PICKUP DRIVE
60.220.05
HYDRAULIC PICKUP LIFT CYLINDER
60.220.06
RH PICKUP WHEEL
60.220.07
PICKUP GAGE WHEEL
60.220.09
PICKUP LIFT
60.220.12
GATHERING WHEEL
Выбрано товаров: 0