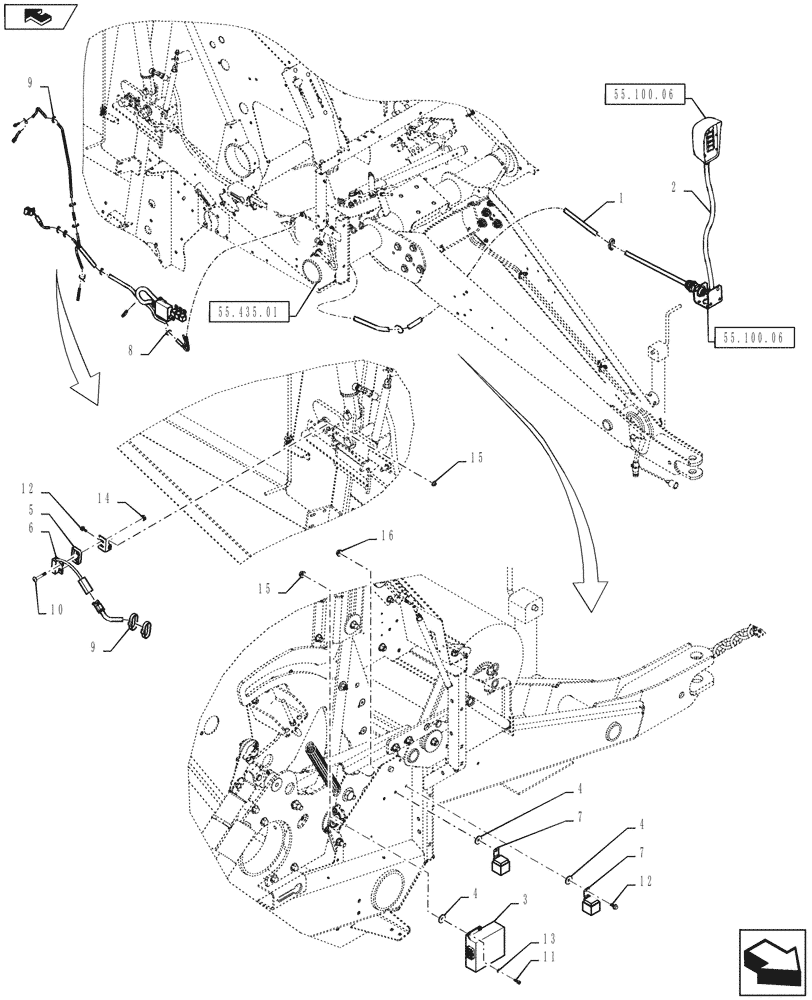
Запчасти Case IH RB455A (55.100.05) - ELECTRONICS, STANDARD TWINE (55) - ELECTRICAL SYSTEMS

Схема запчастей Case IH RB455A - (55.100.05) - ELECTRONICS, STANDARD TWINE (55) - ELECTRICAL SYSTEMS
55.435.01
4
12
4
7
13
14
16
9
10
15
15
11
5
1
6
9
7
3
8
2
4
home
12
55.100.06
55.100.06
FIT
1:1
100%

Артикул

Название

Примечание

Количество

1

84233725

WIRE HARNESS

Baler, Standard Twine

1шт.

2

84233724

WIRE HARNESS

Tractor, Standard Twine

1шт.

3

87383741

ECU

1шт.

Use Electronic Service Tool (EST) to Load Software.

1шт.

4

319725A1

RUBBER WASHER

4шт.

5

86624468

SPACER,1.65" L x 5/16” Thk

1шт.

6

86594422

SENSOR

Tailgate Latch

1шт.

7

82017871

RELAY,12V, 20A

2шт.

8

84292754

CLIP,Cable Tie W/ Fir Tree, 5mm OD x 203mm OAL

1шт.

9

263117

CABLE TIE,292.1mm L, Nylon, Black

CABLE STRAP

13шт.

10

86900322

SCREW,Phillips Drive, Truss HD, #10 - 24 x 1-1/4", SST

2шт.

11

14304221

HEX SOC SCREW,M5 x 16mm, Cl 8.8, Full Thd

2шт.

12

9804255

BOLT,Hex, M6 x 1 x 16mm, Full Thd, Cl 8.8

2шт.

13

9824326

WASHER,5.3mm ID x 10mm OD x 1mm Thk

2шт.

14

86900323

NUT,#10 - 24

2шт.

15

86507065

NUT,M5 x .8, Cl 10

2шт.

16

86619800

FLANGE NUT,M6 x 1, Cl 8

2шт.

Выбрано товаров: 17