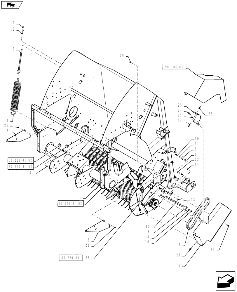
Запчасти Case IH RB455A (60.220.01[01]) - STANDARD PICKUP MOUNTING (60) - PRODUCT FEEDING

Схема запчастей Case IH RB455A - (60.220.01[01]) - STANDARD PICKUP MOUNTING (60) - PRODUCT FEEDING
8
21
5
7
4
24
25
home
60.220.01 02
60.220.01 02
60.220.01 02
24
27
2
18
17
20
23
1
22
26
23
3
11
60.220.09
90.105.04
14
18
16
13
12
6
19
21
5
15
10
9
FIT
1:1
100%

Артикул

Название

Примечание

Количество

1

0C

ORDER COMPONENTS

Standard Pickup

1шт.

2

84256921

EYEBOLT

1шт.

3

84235333

SPRING

1шт.

4

9621910

CHAIN,2050, 36 Links x 31.75mm = 1143mm

1шт.

5

84238886

SHIELD

2шт.

6

86514717

IDLER WHEEL

1шт.

7

84231797

SHIELD

1шт.

8

84333209

SHIM

2.5 mm

1шт.

Used to Obtain Proper Pickup Flotation

1шт.

9

84333207

SHIM

1 mm

1шт.

Used to Obtain Proper Pickup Flotation

1шт.

10

86629541

BOLT,Hex, M12 x 1.75 x 40mm, Cl 8.8

4шт.

11

87642988

WASHER,13.08mm ID x 31.8mm OD x 1.5mm Thk

4шт.

12

65319

WASHER,13.1mm ID x 25.4mm OD x 3.68mm Thk

13шт.

13

9804279

FLANGE NUT,Hex, M12, Cl 8

4шт.

14

334070

CARRIAGE BOLT,Sht Sq Nk, M12 x 1.75 x 90mm, Cl 8.8

1шт.

15

140018

WASHER,13.5mm ID x 24mm OD x 2.5mm Thk

1шт.

16

412672

NUT,Hex, M12 x 1.75, Cl 10

1шт.

17

87613265

WASHER,0.53" ID x 1.25" OD x 0.13" Thk

8шт.

18

86507486

CARRIAGE BOLT,M8 x 1.25 x 20mm, Cl 8.8

6шт.

19

280431

NUT,1/2"-13, G5

2шт.

20

9804261

BOLT,Hex, M10 x 25mm, Cl 8.8, Full Thd

2шт.

21

9804277

FLANGE NUT,Hex, M8 x 1.25, Cl 8

7шт.

22

9804258

BOLT,Hex, M8 x 1.25 x 20mm, Cl 8.8

2шт.

23

0C

ORDER COMPONENTS

Mechanical Pickup Lift

1шт.

24

9804256

BOLT,Hex, M6 x 1 x 20mm, Full Thd, Cl 8.8

4шт.

25

84133493

RUBBER STRIP

1шт.

26

86610198

INSERT,M6 x 1

4шт.

27

80707

WASHER,0.25" ID x 0.56" OD x 0.05" Thk

4шт.

Выбрано товаров: 29