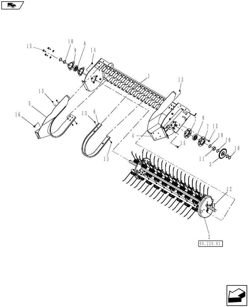
Запчасти Case IH RB455A (60.220.01[02]) - STANDARD PICKUP (60) - PRODUCT FEEDING

Схема запчастей Case IH RB455A - (60.220.01[02]) - STANDARD PICKUP (60) - PRODUCT FEEDING
6
8
7
3
14
12
15
2
13
60.220.03
15
11
13
13
7
13
5
10
10
15
10
9
16
8
1
10
4
home
FIT
1:1
100%

Артикул

Название

Примечание

Количество

1

84204763

FRAME

Pickup

1шт.

2

0C

ORDER COMPONENTS

Reel

1шт.

3

84224007

SPROCKET

25T RC 50

1шт.

4

84229385

GUARD

LH

1шт.

5

84232348

GUARD

RH

1шт.

6

84232979

GUARD

17шт.

7

138820

FLANGED BEARING

2шт.

8

86594423

BEARING,28.6mm Hex x 72mm OD x 25mm W

2шт.

9

86620026

FLANGED BEARING

2шт.

10

164999

WASHER

6шт.

11

770904

SPACER

1шт.

12

88529

LOCK PIN,5.56mm OD x 44.45mm L, Slotted

2шт.

13

677808

SELF-TAP SCREW,Hex Flng, 1/4" - 20 x 5/8"

HWH, 1/4"-20 x 5/8"

50шт.

14

9804278

FLANGE NUT,M10 x 1.5, Cl 8

2шт.

15

9804262

BOLT,M10 x 39.2mm, Cl 8.8

11шт.

16

86050286

FLANGE BOLT,M10 x 20mm, Cl 8.8

2шт.

Выбрано товаров: 16