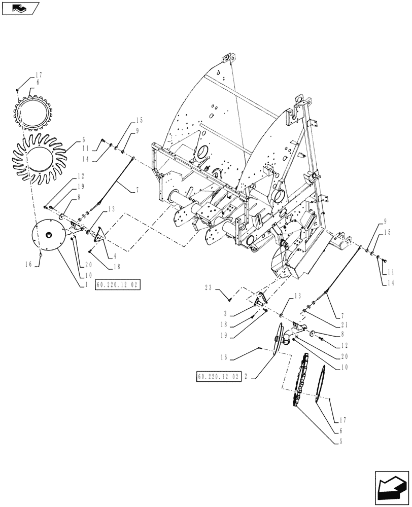
Запчасти Case IH RB455A (60.220.12[1]) - GATHERING WHEEL (60) - PRODUCT FEEDING

Схема запчастей Case IH RB455A - (60.220.12[1]) - GATHERING WHEEL (60) - PRODUCT FEEDING
home
21
16
2
12
1
15
20
18
10
19
5
16
8
3
20
17
5
14
13
15
9
18
6
9
23
10
13
6
14
12
7
19
4
11
11
7
17
8
60.220.12 02
60.220.12 02
FIT
1:1
100%

Артикул

Название

Примечание

Количество

1

84255049

ARM

RH

1шт.

2

84238295

ARM

LH

1шт.

3

84237595

SUPPORT

LH

1шт.

4

84255054

SUPPORT

RH

1шт.

5

84296067

WHEEL

2шт.

6

84269073

RING

2шт.

7

84294086

CABLE

2шт.

8

790472

WASHER,10.3mm ID x 63.5mm OD x 4.8mm Thk

2шт.

9

87302487

SPACER,13.8mm ID x 21.3mm OD x 10.3mm L

2шт.

10

86521606

FLANGE NUT,Hex, 3/8" - 16, Gr 5

4шт.

11

86629541

BOLT,Hex, M12 x 1.75 x 40mm, Cl 8.8

2шт.

12

86050286

FLANGE BOLT,M10 x 20mm, Cl 8.8

2шт.

13

84294582

WASHER

2шт.

14

140046

BELLEVILLE WASHER,M12 Bolt Size x 27mm OD x 1.8mm Thk

2шт.

15

86637848

WASHER,13.5mm ID x 38.1mm OD x 3.68mm Thk

2шт.

16

86508771

CARRIAGE BOLT,Sq Nk, 5/16" - 18 x 1 3/4", Gr 5

12шт.

17

86629544

NUT,5/16” – 18, GR B

12шт.

18

9804262

BOLT,M10 x 39.2mm, Cl 8.8

4шт.

19

9804261

BOLT,Hex, M10 x 25mm, Cl 8.8, Full Thd

5шт.

20

140042

WASHER,11mm ID x 34mm OD x 3mm Thk

4шт.

21

87311354

SPACER,10.7mm ID x 17.1mm OD x 14.2mm L

2шт.

22

84134392

INSTRUCTION

1шт.

23

86511845

BOLT,M10 x 44.2mm OAL, Cl 8.8, Full Thd

1шт.

Выбрано товаров: 23