Запчасти Case IH RB455A (88.060.01) - DIA KIT, GATHERING WHEEL (88) - ACCESSORIES

Схема запчастей Case IH RB455A - (88.060.01) - DIA KIT, GATHERING WHEEL (88) - ACCESSORIES
60.220.12 02
13
21
9
14
11
13
17
4
10
21
18
3
23
8
18
12
17
1
19
15
14
16
8
16
7
12
15
20
10
6
19
6
7
22
21
2
11
5
8
home
60.220.12 02
FIT
1:1
100%

Артикул

Название

Примечание

Количество

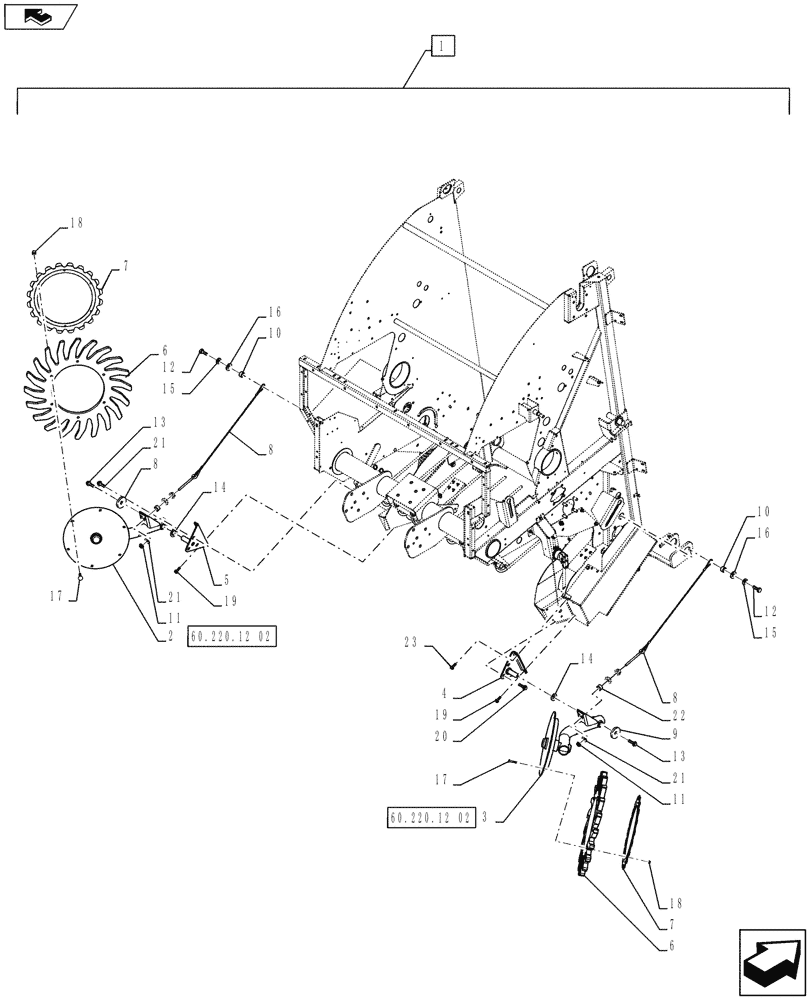
1

84235795

DIA KIT, HARVESTER

Gathering Wheel, Pickup Mounted

1шт.

Refer to Installation Instructions for Correct Assembly Procedure

1шт.

2

84255049

ARM

RH

1шт.

3

84238295

ARM

LH

1шт.

4

84237595

SUPPORT

LH

1шт.

5

84255054

SUPPORT

RH

1шт.

6

84296067

WHEEL

2шт.

7

84269073

RING

2шт.

8

84294086

CABLE

2шт.

9

790472

WASHER,10.3mm ID x 63.5mm OD x 4.8mm Thk

2шт.

10

87302487

SPACER,13.8mm ID x 21.3mm OD x 10.3mm L

2шт.

11

86521606

FLANGE NUT,Hex, 3/8" - 16, Gr 5

4шт.

12

86629541

BOLT,Hex, M12 x 1.75 x 40mm, Cl 8.8

2шт.

13

86050286

FLANGE BOLT,M10 x 20mm, Cl 8.8

2шт.

14

84294582

WASHER

2шт.

15

140046

BELLEVILLE WASHER,M12 Bolt Size x 27mm OD x 1.8mm Thk

2шт.

16

86637848

WASHER,13.5mm ID x 38.1mm OD x 3.68mm Thk

2шт.

17

86508771

CARRIAGE BOLT,Sq Nk, 5/16" - 18 x 1 3/4", Gr 5

12шт.

18

86629544

NUT,5/16” – 18, GR B

12шт.

19

9804262

BOLT,M10 x 39.2mm, Cl 8.8

4шт.

20

9804261

BOLT,Hex, M10 x 25mm, Cl 8.8, Full Thd

5шт.

21

140042

WASHER,11mm ID x 34mm OD x 3mm Thk

4шт.

22

87311354

SPACER,10.7mm ID x 17.1mm OD x 14.2mm L

2шт.

23

86511845

BOLT,M10 x 44.2mm OAL, Cl 8.8, Full Thd

1шт.

24

84134392

INSTRUCTION

1шт.

Выбрано товаров: 25