Запчасти Case IH RB455A (88.060.02) - DIA KIT, HYDRAULIC PICKUP LIFT KIT (88) - ACCESSORIES

Схема запчастей Case IH RB455A - (88.060.02) - DIA KIT, HYDRAULIC PICKUP LIFT KIT (88) - ACCESSORIES
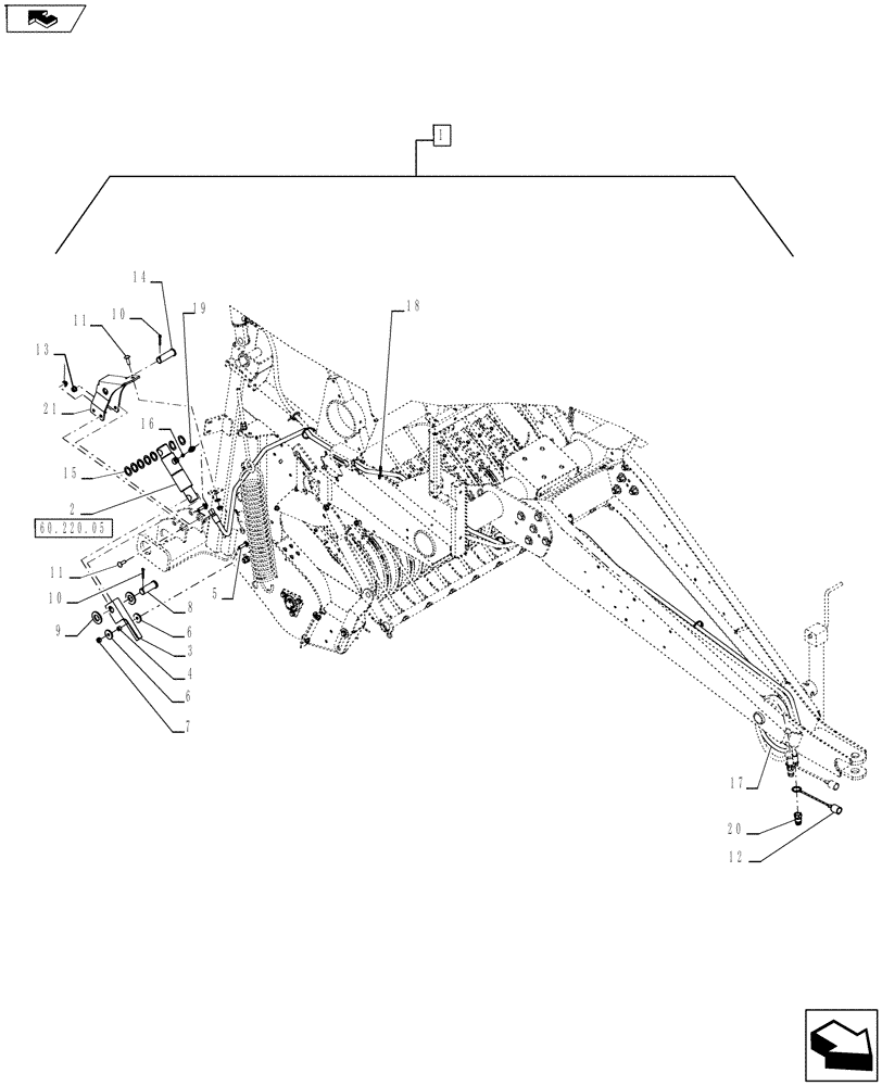
19
11
6
10
21
1
10
13
20
16
5
60.220.05
3
home
17
11
12
4
2
8
7
15
9
18
14
6
FIT
1:1
100%

Артикул

Название

Примечание

Количество

1

84204331

DIA KIT, HARVESTER

Hydraulic Pickup Lift, Includes: Installation Instructions

1шт.

Refer to Installation Instructions for Correct Assembly Procedure

1шт.

2

87056843

HYDRAULIC CYLINDER,38.1mm Rod, 76.2mm Stroke

Pickup Lift

1шт.

3

84235128

LINK

1шт.

4

698748

BUSHING,10.3mm ID x 15.88mm OD x 9.53mm L

1шт.

5

374892

CARRIAGE BOLT,M10 x 1.5 x 40mm, Cl 8.8

1шт.

6

213404

SPACER,10.3mm ID x 38.1mm OD x 5.2mm OAL

2шт.

7

100037

LOCK NUT,M10 x 1.5, Cl 8

1шт.

8

512112

HOSE

1шт.

9

87367

WASHER,1.06" ID x 2" OD x 0.13" Thk

2шт.

10

80754

COTTER PIN,3/16" OD x 1-1/2" OAL

2шт.

11

86512446

CARRIAGE BOLT,M10 x 1.5 x 30mm, Cl 8.8

5шт.

12

87017806

DUST CAP,Green

Green

1шт.

13

9804278

FLANGE NUT,M10 x 1.5, Cl 8

5шт.

14

514864

PIN

1шт.

15

26402

WASHER,25.8mm ID x 38.1mm OD x 1.7mm Thk

7шт.

16

261066

ORIFICE,9/16" - 18, 0.813" Orifice

1шт.

17

86836356

HOSE,9.53mm ID x 4673.6mm L, SAE 100R17

1шт.

18

263117

CABLE TIE,292.1mm L, Nylon, Black

CABLE STRAP

5шт.

19

76350

HYD CONNECTOR,9/16" - 18 ORB x 9/16" - 18 JIC

1шт.

20

9801618

QUICK MALE COUPLING,1/2" - 14

1шт.

21

84254713

SUPPORT

1шт.

Выбрано товаров: 22