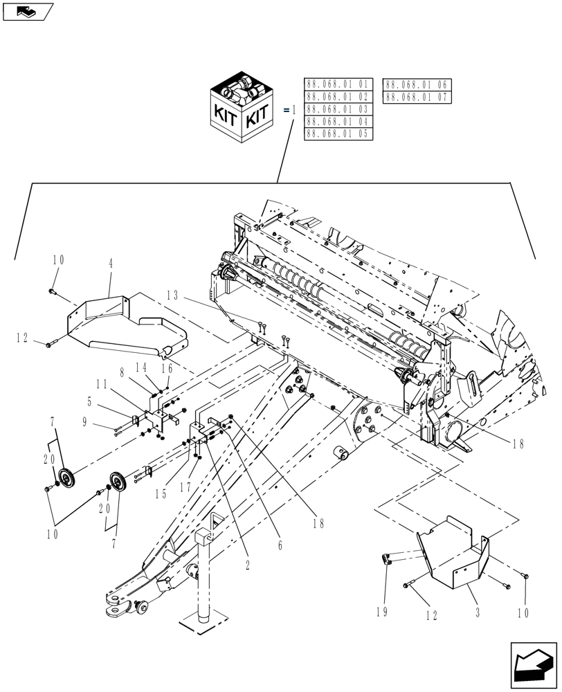
Запчасти Case IH RB455A (88.068.01[03]) - DIA KIT, STANDARD NET, TWINE BOX (88) - ACCESSORIES

Схема запчастей Case IH RB455A - (88.068.01[03]) - DIA KIT, STANDARD NET, TWINE BOX (88) - ACCESSORIES
88.068.01 01
7
13
11
1
16
2
5
12
6
8
3
4
9
18
19
17
18
10
7
10
20
10
20
14
15
12
88.068.01 07
88.068.01 06
home
88.068.01 05
88.068.01 03
88.068.01 04
88.068.01 02
FIT
1:1
100%

Артикул

Название

Примечание

Количество

1

84134336

DIA KIT, HARVESTER

Standard Net

1шт.

Includes: Parts Shown on Figures 88.068.01 01 thru 07.

1шт.

Refer to Installation Instructions for Correct Assembly Procedure

1шт.

2

84237857

MOUNT

LH

1шт.

3

84255919

TWINE BOX

LH

1шт.

4

84255913

TWINE BOX

RH

1шт.

5

9820171

BRACKET

2шт.

6

86629062

GUIDE

Includes: Ref. 20

2шт.

7

87038785

PULLEY ASSY.

2шт.

8

29840

SPRING,Compression, 11.91mm OD x 25.4mm L

4шт.

9

412327

CARRIAGE BOLT,Short Sq Nk, M6 x 1 x 40mm, Full Thd, Cl 8.8

4шт.

10

9804262

BOLT,M10 x 39.2mm, Cl 8.8

6шт.

11

84269565

MOUNT

RH

1шт.

12

9804265

FLANGE BOLT,Hex, M10 x 60mm, Cl 8.8

2шт.

13

86619060

CARRIAGE BOLT,M8 x 1.25 x 16mm, Cl 8.8

4шт.

14

80701

WASHER,0.31" ID x 0.73" OD x 0.07" Thk

4шт.

15

86511323

WASHER,10.5mm ID x 20mm OD x 2mm Thk

4шт.

16

353308

NUT,M6 x 1.0, Cl 8

4шт.

17

9804277

FLANGE NUT,Hex, M8 x 1.25, Cl 8

4шт.

18

9804278

FLANGE NUT,M10 x 1.5, Cl 8

8шт.

19

52367

HOLDER

Shear Bolt

1шт.

20

748669

BALL BEARING,10mm ID x 30mm OD x 9mm W

2шт.

21

84134393

INSTRUCTION

1шт.

Выбрано товаров: 23