Запчасти Case IH RB464 (09.10) - LUBRICATION OILER, EUROPE & R.O.W. (09) - LUBRICATION

Схема запчастей Case IH RB464 - (09.10) - LUBRICATION OILER, EUROPE & R.O.W. (09) - LUBRICATION
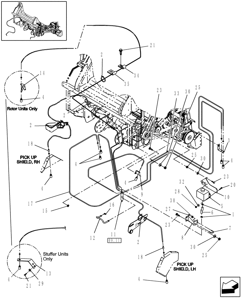
20
4
23
13
8
9
14
23
30
21
5
1
3
25
29
12
30
34
17
7
30
25
18
2
30
32
16
09.11
21
35
23
6
4
4
4
33
4
10
25
4
28
2
27
11
15
2
4
18
2
FIT
1:1
100%

Артикул

Название

Примечание

Количество

1

326082

CLAMP,18mm - 25mm

Adjustable

2шт.

2

249730

SECURING STRAP,8" L

1/8" x 8"

14шт.

3

86631455

ANGLE

1шт.

Use Existing Hardware

1шт.

4

9822519

COMMUTATOR BRUSH

7шт.

MAINTENANCE PART

1шт.

5

87721915

TANK

1шт.

6

9847000

HOSE,15.88mm ID x 374.65mm L

1шт.

7

86977434

U-BOLT,5/16" - 20 x 1.94" W x 2.50" L

5/16"-18, 1-15/16" W x 2-1/2" L

1шт.

8

87541725

MOUNTING PLATE

1шт.

9

86618552

ANGLE

1шт.

Use Existing Hardware

1шт.

10

87541724

MOUNTING PLATE

Tank

1шт.

11

87040807

PUMP

Oiler

1шт.

MAINTENANCE PART

1шт.

12

850420

FLEXIBLE HOSE

1шт.

13

87586930

BRACKET

1шт.

Stuffer Units Only

1шт.

14

86643948

BRACKET

1шт.

Rotor Units Only

1шт.

15

625670

GROMMET

1шт.

16

218-5103

90 ELBOW,90 Degree Elbow, 7/16" - 20 Male JIC x 7/16" - 20 Male ORB

Includes: O-Ring, 1/4" Tube

1шт.

17

9848970

PLASTIC-RUBBER TUBE,3.96mm OD x 10973mm L

Lube, .156" OD x 10'

1шт.

18

86521981

REDUCER,5/32" Hose Barb x 5/32" Hose Barb

2шт.

20

844-6020

BOLT,Hvy Hex, M6 x 20mm, Cl 8.8

4шт.

21

87667

SELF-TAP SCREW,Hex Hd, 1/4" x 1/2"

1шт.

23

86512420

CARRIAGE BOLT,Rnd Head, M8 x 1.25 x 20mm, Full Thd, Cl 8.8

6шт.

25

825-2408

FLANGE NUT,M8 x 1.25, Flg, Cl 8

6шт.

26

9804279

FLANGE NUT,Hex, M12, Cl 8

1шт.

27

425-105

NUT,5/16"-18, G5

2шт.

28

832-46406

NUT,M6 x 1, Cl 8

4шт.

29

322357

BELLEVILLE WASHER,M6 Bolt Size x 14mm OD x 1.3mm Thk

2шт.

30

322358

BELLEVILLE WASHER,M8 Bolt Size x 18mm OD x 1.4mm Thk

8шт.

32

495-21031

WASHER,1/4"

4шт.

33

515-2279

CLAMP,5/16", Insul, 5/16" Bolt

2шт.

34

86050346

CLAMP,9.5mm, Coat, 7.1mm Bolt Hole, P Type

1шт.

35

675162

WIRE CLAMP,6.3mm, Coat, 10.3mm Bolt Hole, P Type

1шт.

Выбрано товаров: 37