Запчасти Case IH RB464 (09.15) - LUBRICATION (09) - LUBRICATION

Схема запчастей Case IH RB464 - (09.15) - LUBRICATION (09) - LUBRICATION
7
3
5
8
6
1
10
2
4
home
9
FIT
1:1
100%

Артикул

Название

Примечание

Количество

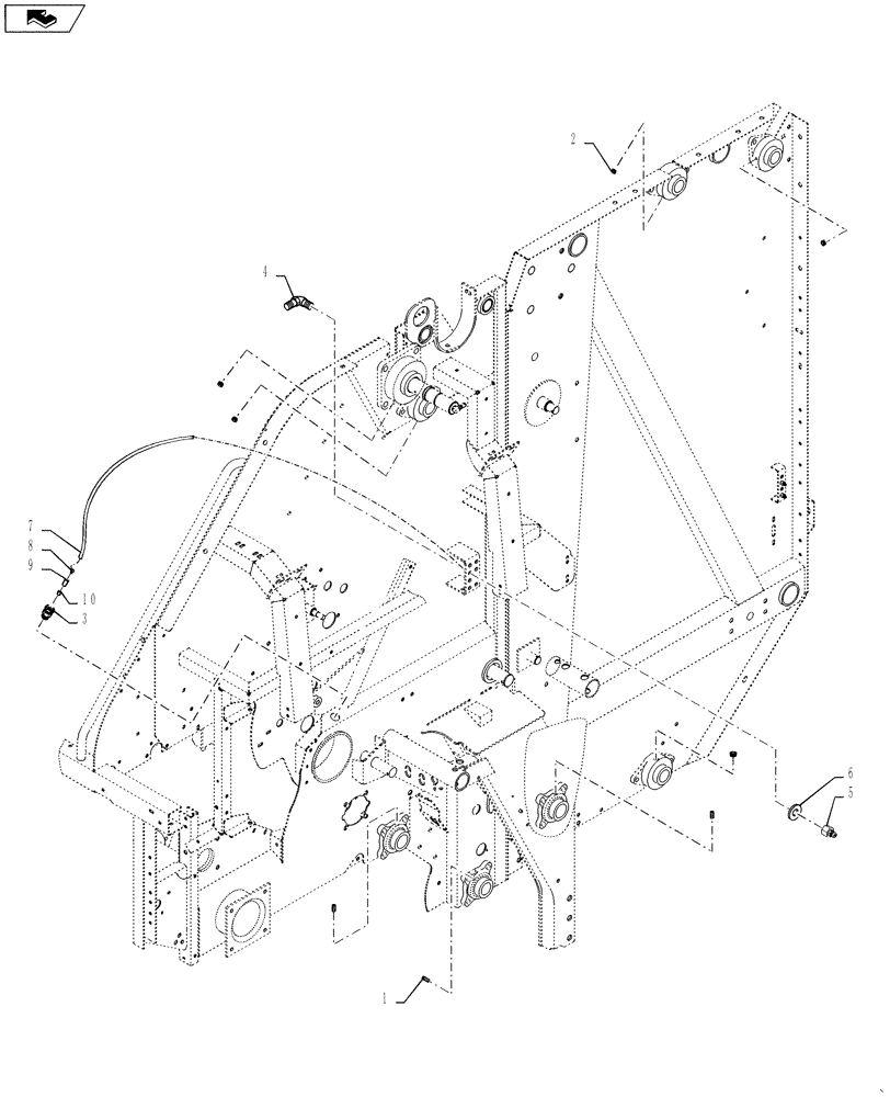
1

87042

SET SCREW,1/4" - 28 x 1/4"

6шт.

2

56513

PLUG,Hex Soc, 1/8" - 27 NPT

6шт.

3

11787

FITTING,3/8"-24 Fem x 1/8" NPT

2шт.

P.I.N. YBN170852 & Prior

1шт.

4

48564

90 ELBOW,90 Degree, 11/16" x 5/8", 1/8" NPT

2шт.

P.I.N. YBN170852 & Prior

1шт.

5

84303

LUBE NIPPLE,1/8"-27 NPT x 1" lg, Fem

2шт.

P.I.N. YBN170852 & Prior

1шт.

6

87016

WASHER,0.41" ID x 0.81" OD x 0.07" Thk

2шт.

P.I.N. YBN170852 & Prior

1шт.

7

87014413

TUBE,4.80 mm OD x 1850 mm L

M4.81 OD x 1850 Long

1шт.

8

80719

LUBE NIPPLE,1/8" NPT

2шт.

P.I.N. YBN170853 & After

1шт.

9

91932

COUPLING,1/8" - 27 NPT x 1/8" - 27 NPT

1/8" NPT

2шт.

P.I.N. YBN170853 & After

1шт.

10

221-1109

PIPE,Nipple, 1/8" NPT x 2"

1/8" NPT x 2"

2шт.

P.I.N. YBN170853 & After

1шт.

Выбрано товаров: 17