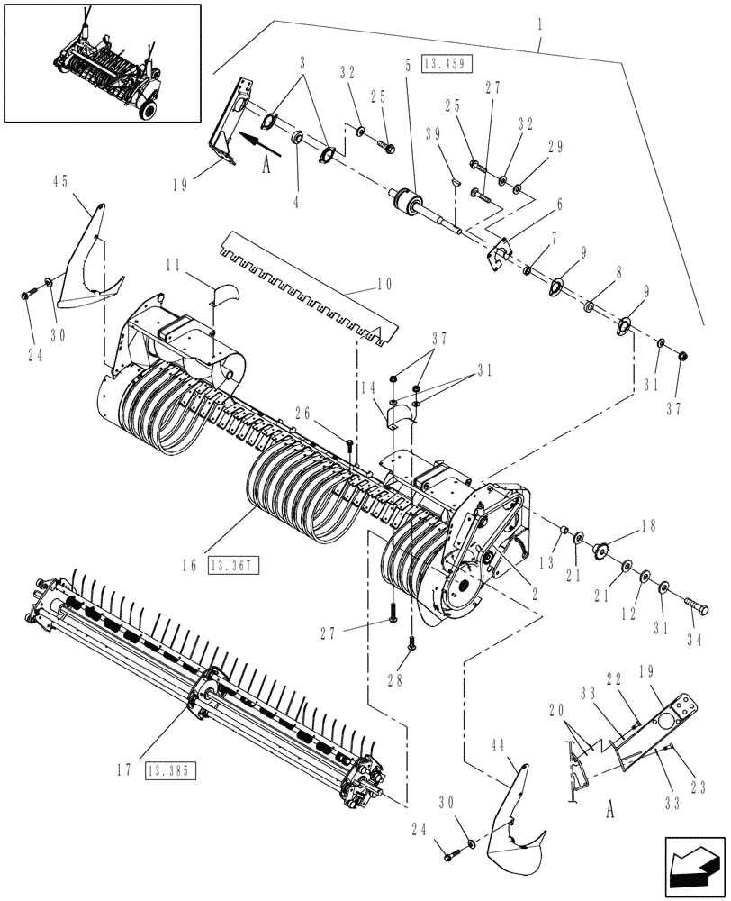
Запчасти Case IH RB464 (13.366) - 1.8M DUAL CAM WIDE PICKUP & ROTOR, EUROPE & R.O.W. (13) - FEEDER

Схема запчастей Case IH RB464 - (13.366) - 1.8M DUAL CAM WIDE PICKUP & ROTOR, EUROPE & R.O.W. (13) - FEEDER
13.459
44
17
27
33
25
26
3
19
34
32
18
14
12
25
31
8
6
13
45
24
29
33
9
31
10
39
37
30
21
24
9
22
32
21
2
37
20
16
28
27
31
30
5
19
1
4
7
11
23
13.385
13.367
FIT
1:1
100%

Артикул

Название

Примечание

Количество

1

87757818

PICK-UP

1.8M Dual Cam Pickup

1шт.

2

86552479

CHAIN,RC50, 100 Links x 15.88mm = 1587.5mm

Roller, Standard Duty, RC50, 100 Pitches, Chrome, Includes: Connector Link 86537460

1шт.

MAINTENANCE PART

1шт.

2

87741470

CHAIN,50, 100 Links x 15.88mm = 1587.5mm

Roller, Optional Heavy Duty, RC50, 100 Pitches, Includes: Connector Link 86537460

1шт.

MAINTENANCE PART

1шт.

3

87106572

FLANGE

Bearing

2шт.

MAINTENANCE PART

1шт.

4

84484181

BALL BEARING,31.75mm ID x 62mm OD x 18mm W

1-1/4" ID x 2.44" OD

1шт.

4

84484181GV

BEARING ASSY

Value, Ball Bearing

1шт.

MAINTENANCE PART

1шт.

5

0C

ORDER COMPONENTS

2M Overrun Clutch

1шт.

6

87654729

PLATE

1шт.

7

38260

COLLAR

Locking, Includes: Set Screw

1шт.

8

574844

BALL BEARING,25.4mm ID x 52mm OD x 15mm W

Pickup Drive Shaft

1шт.

MAINTENANCE PART

1шт.

9

86603075

FLANGE,Bearing, 52.01 mm ID x 95.3 mm OD x 8.7 mm

Bearing

2шт.

MAINTENANCE PART

1шт.

10

87050285

FLOOR,260mm W x 1150mm L, Polyurethane

Floor, Plastic

1шт.

Install Between Unattached Pickup Guards & Pickup Frame with Ref. 26.

1шт.

MAINTENANCE PART

1шт.

11

87654801

SHIELD

Upper, RH

1шт.

12

87654824

WASHER

1шт.

13

87654833

SPACER

1шт.

14

87654836

SHIELD

Upper, LH

1шт.

16

0C

ORDER COMPONENTS

2M Wide Pickup

1шт.

17

0C

ORDER COMPONENTS

2M Tine Bar, Straight & Curved Pickup Tines

1шт.

18

87725037

SPROCKET

17T, RC 50, Standard

1шт.

MAINTENANCE PART

1шт.

18

87055082

SPROCKET

18T, RC 50, Optional

1шт.

Increases Pickup Reel Speed

1шт.

MAINTENANCE PART

1шт.

19

87653851

LIFT ARM

, Serial Range: -Y9N043084

1шт.

19

84194097

LIFT ARM

, Start Serial: Y9N043085

1шт.

20

131405

SHIM

.025" Thick

4/ARшт.

21

86611401

WASHER,25.53mm ID x 31.24mm OD x 1.65mm Thk

4шт.

22

9706687

BOLT,M12 x 1.75 x 30mm, Cl 8.8

2шт.

23

86629541

BOLT,Hex, M12 x 1.75 x 40mm, Cl 8.8

4шт.

24

9804257

FLANGE BOLT,Hex, M6 x 1.0 x 25mm, Cl 8.8, Full Thd

6шт.

25

9804262

BOLT,M10 x 39.2mm, Cl 8.8

8шт.

26

87034817

SELF-TAP SCREW,HWH, 5/16" - 18 x 3/4"

34шт.

MAINTENANCE PART

1шт.

27

120038

CARRIAGE BOLT,Rnd Head, M8 x 1.25 x 30mm, Cl 8.8, Full Thd

3шт.

28

86619060

CARRIAGE BOLT,M8 x 1.25 x 16mm, Cl 8.8

2шт.

29

140017

WASHER,M10 x 20mm OD x 2mm Thk

4шт.

30

322357

BELLEVILLE WASHER,M6 Bolt Size x 14mm OD x 1.3mm Thk

6шт.

31

322358

BELLEVILLE WASHER,M8 Bolt Size x 18mm OD x 1.4mm Thk

5шт.

32

140045

BELLEVILLE WASHER,M10 Bolt Size x 22mm OD x 1.6mm Thk

6шт.

33

140046

BELLEVILLE WASHER,M12 Bolt Size x 27mm OD x 1.8mm Thk

6шт.

34

43128

BOLT,M8 x 1.25 x 30mm, Cl 8.8

1шт.

37

9804277

FLANGE NUT,Hex, M8 x 1.25, Cl 8

5шт.

39

80768

WOODRUFF KEY,#15, 1/4" x 1"

1шт.

44

87053734

GUARD

Flare, LH

1шт.

45

84324676

GUARD

Flare, RH

1шт.

Выбрано товаров: 53