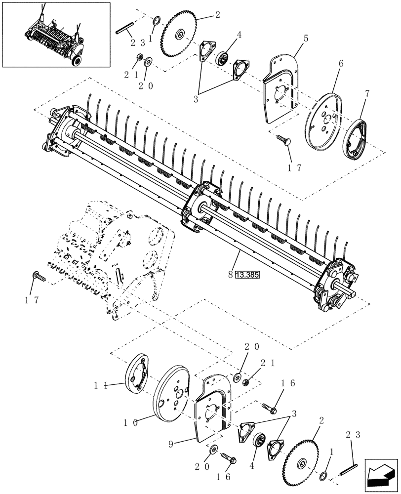
Запчасти Case IH RB464 (13.383) - 1.8M DUAL CAM WIDE PICKUP, REEL DRIVE (13) - FEEDER

Схема запчастей Case IH RB464 - (13.383) - 1.8M DUAL CAM WIDE PICKUP, REEL DRIVE (13) - FEEDER
13.385
16
4
23
5
1
20
4
17
21
21
23
3
11
2
6
16
9
2
1
7
8
20
17
3
10
20
FIT
1:1
100%

Артикул

Название

Примечание

Количество

1

87022926

WASHER,35.05mm ID x 48.01mm OD x 2.14mm Thk

.075" Thick

2шт.

2

86624713

SPROCKET

48T, RC 50

2шт.

3

86620026

FLANGED BEARING

4шт.

MAINTENANCE PART

1шт.

4

156816C91

BEARING HOUSING,28.6mm Hex x 72mm OD x 25mm W

2шт.

MAINTENANCE PART

1шт.

5

87054955

SUPPORT

RH

1шт.

6

87036227

CAM

RH, Outer

1шт.

MAINTENANCE PART

1шт.

7

87036226

CAM

RH, Inner

1шт.

MAINTENANCE PART

1шт.

8

NSS

NOT SOLD SEPARAT

Reel

1шт.

9

87054954

SUPPORT

LH

1шт.

10

87032200

CAM

LH, Outer

1шт.

MAINTENANCE PART

1шт.

11

87032003

CAM

LH, Inner

1шт.

MAINTENANCE PART

1шт.

16

844-10030

BOLT,Hvy Hex, M10 x 30mm, Cl 8.8

10шт.

17

811-10030

CARRIAGE BOLT,Sht Sq Nk, M10 x 1.5 x 30mm, Cl 8.8

12шт.

20

140045

BELLEVILLE WASHER,M10 Bolt Size x 22mm OD x 1.6mm Thk

18шт.

21

829-1410

NUT,M10 x 1.5, Cl 10.9

12шт.

23

88529

LOCK PIN,5.56mm OD x 44.45mm L, Slotted

2шт.

Выбрано товаров: 22