Запчасти Case IH RB464 (13.610) - ROTOR FEEDER DRIVE, P.I.N. Y9N043084 & PRIOR (13) - FEEDER

Схема запчастей Case IH RB464 - (13.610) - ROTOR FEEDER DRIVE, P.I.N. Y9N043084 & PRIOR (13) - FEEDER
14.52 1
32
6
7
10
10
2
38
7
9
13
18
26
5
40
16
12
15
39
31
1
24
27
25
home
14.11 2
14.11 1
13.620
14.52 2
FIT
1:1
100%

Артикул

Название

Примечание

Количество

1

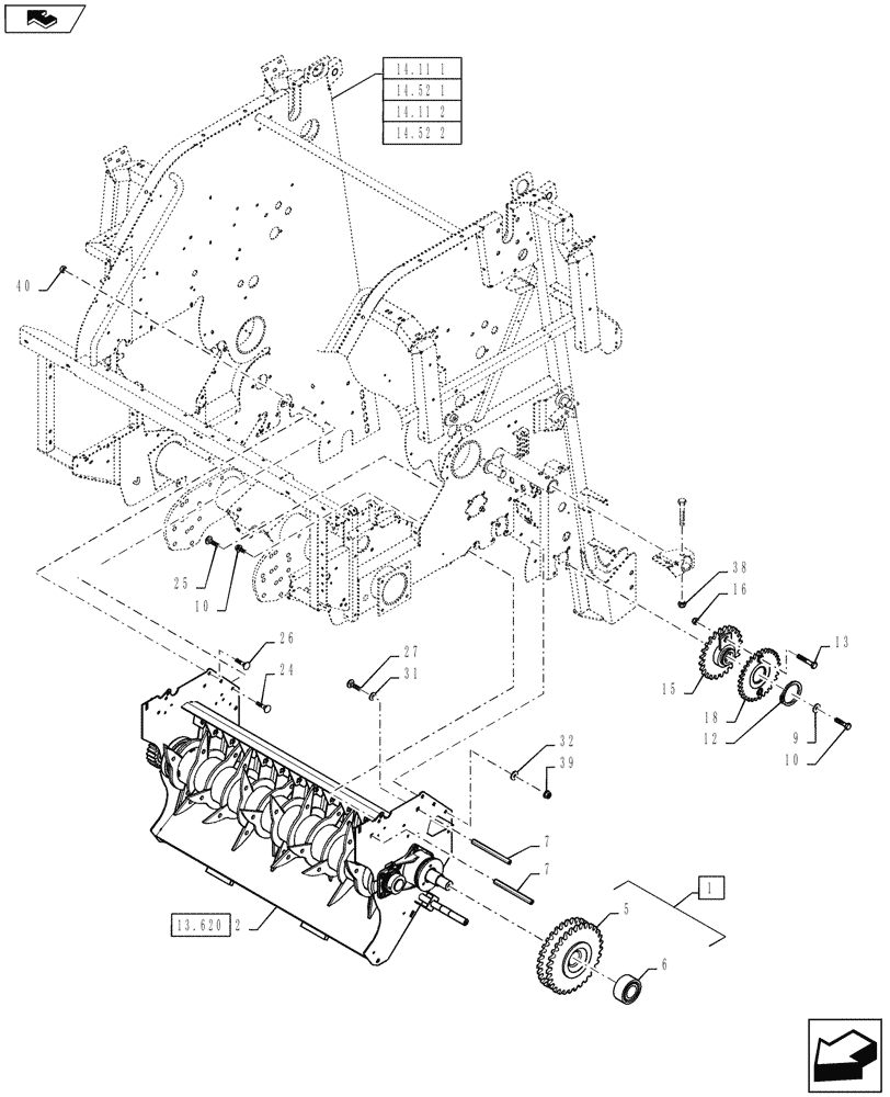
87024365

SPROCKET

Incl 5, 6

1шт.

2

0C

ORDER COMPONENTS

Feed Rotor

1шт.

3

86632879

CHANNEL

2шт.

5

86633715

SPROCKET

31T, RC60

1шт.

MAINTENANCE PART

1шт.

6

86629476

BEARING ASSY,39mm ID x 68mm OD x 37mm W

Includes: Seals

1шт.

MAINTENANCE PART

1шт.

7

86625306

SHAFT

2шт.

9

692300

WASHER,13.5mm ID x 50.8mm OD x 7.37mm Thk

2" OD x 3/16" Thk

1шт.

10

614-12040

BOLT,Hex, M12 x 1.75 x 40mm, Cl 8.8, Full Thd

1шт.

12

234592

SNAP RING,#300, Ext

1шт.

13

46402

SHEAR BOLT

HH, 5/16"-18 x 1-1/2"

1шт.

MAINTENANCE PART

1шт.

15

86616505

SPROCKET

29T, RC80

1шт.

MAINTENANCE PART

1шт.

16

231-4145

NUT,5/16"-18, GB

1шт.

MAINTENANCE PART

1шт.

18

86978871

SPROCKET

39T, RC60

1шт.

MAINTENANCE PART

1шт.

20

814-16100

BOLT,Hex, M16 x 2 x 100mm, Cl 8.8

2шт.

24

711-10030

CARRIAGE BOLT,Sq Nk, M10 x 1.5 x 30mm, Cl 8.8

2шт.

25

811-10025

CARRIAGE BOLT,Sht Sq Nk, M10 x 1.5 x 25mm, Cl 8.8

3шт.

26

811-10040

CARRIAGE BOLT,Sht Sq Nk, M10 x 1.5 x 40mm, Cl 8.8

1шт.

27

811-8020

CARRIAGE BOLT,Sht Sq Nk, M8 x 1.25 x 20mm, Cl 8.8

2шт.

31

322358

BELLEVILLE WASHER,M8 Bolt Size x 18mm OD x 1.4mm Thk

2шт.

32

140045

BELLEVILLE WASHER,M10 Bolt Size x 22mm OD x 1.6mm Thk

5шт.

38

832-46416

NUT,M16 x 2, Cl 8

2шт.

39

825-2410

FLANGE NUT,M10 x 1.5, Flg, Cl 8

5шт.

40

825-1410

NUT,M10, Cl 8

1шт.

Выбрано товаров: 29