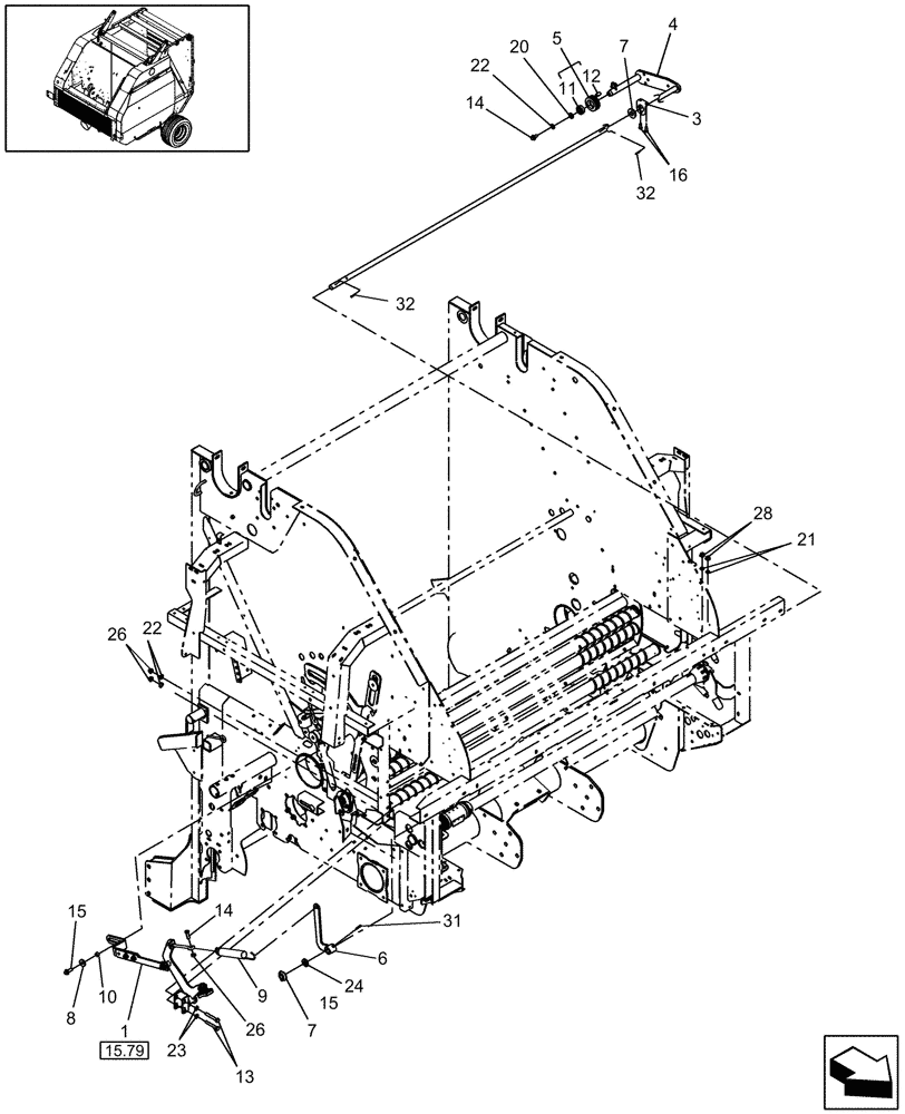
Запчасти Case IH RB464 (15.68[1]) - NET WRAP, COUNTER ROLL, STATIONARY ROLL & BRAKE TENSION, NORTH AMERICA (15) - KNOTTER /WRAPPER

Схема запчастей Case IH RB464 - (15.68[1]) - NET WRAP, COUNTER ROLL, STATIONARY ROLL & BRAKE TENSION, NORTH AMERICA (15) - KNOTTER /WRAPPER
15.79
21
12
26
4
13
31
7
15
24
7
8
3
26
22
9
20
22
15
6
11
5
23
32
32
10
14
14
1
28
16
FIT
1:1
100%

Артикул

Название

Примечание

Количество

1

0C

ORDER COMPONENTS

Net Brake

1шт.

87521398

1шт.

3

87552484

ANGLE

1шт.

4

87528559

SHAFT

1шт.

5

87050433

HUB

1шт.

6

87470180

ARM

1шт.

7

87521161

BUSHING,20.2mm ID x 44.5mm OD x 10.5mm Thk

2шт.

8

678235

WASHER

1шт.

9

87605373

SPRING,Extension, 1-3/8" OD x 13-1/4" L

1шт.

10

698748

BUSHING,10.3mm ID x 15.88mm OD x 9.53mm L

1шт.

11

214122

BALL BEARING,19.04mm ID x 41.27mm OD x 12.7mm W

1шт.

12

9615611

MAGNET

1шт.

MAINTENANCE PART

1шт.

13

43144

BOLT,Hex, M10 x 70mm, Cl 8.8

2шт.

14

86050286

FLANGE BOLT,M10 x 20mm, Cl 8.8

1шт.

15

9804262

BOLT,M10 x 39.2mm, Cl 8.8

1шт.

16

120104

BOLT,Hex, M8 x 1.25 x 20mm, Cl 8.8

2шт.

20

80702

WASHER,0.44" ID x 1" OD x 0.08" Thk

1шт.

21

322358

BELLEVILLE WASHER,M8 Bolt Size x 18mm OD x 1.4mm Thk

2шт.

22

140045

BELLEVILLE WASHER,M10 Bolt Size x 22mm OD x 1.6mm Thk

3шт.

23

140017

WASHER,M10 x 20mm OD x 2mm Thk

2шт.

24

140021

WASHER,22mm ID x 37mm OD x 3mm Thk

1шт.

26

9804278

FLANGE NUT,M10 x 1.5, Cl 8

3шт.

28

9706690

NUT,M8 x 1.25, Cl 8

2шт.

31

333960

LOCK PIN,6mm OD x 50mm L, Slotted

1шт.

32

87395

COTTER PIN,1/8" OD x 1-1/4" OAL

2шт.

Выбрано товаров: 26