Запчасти Case IH RB464 (18.32) - DIA KIT, RATCHET CLUTCH (18) - ACCESSORIES

Схема запчастей Case IH RB464 - (18.32) - DIA KIT, RATCHET CLUTCH (18) - ACCESSORIES
13.455
9
14
15
12
16
3
2
10
16
13
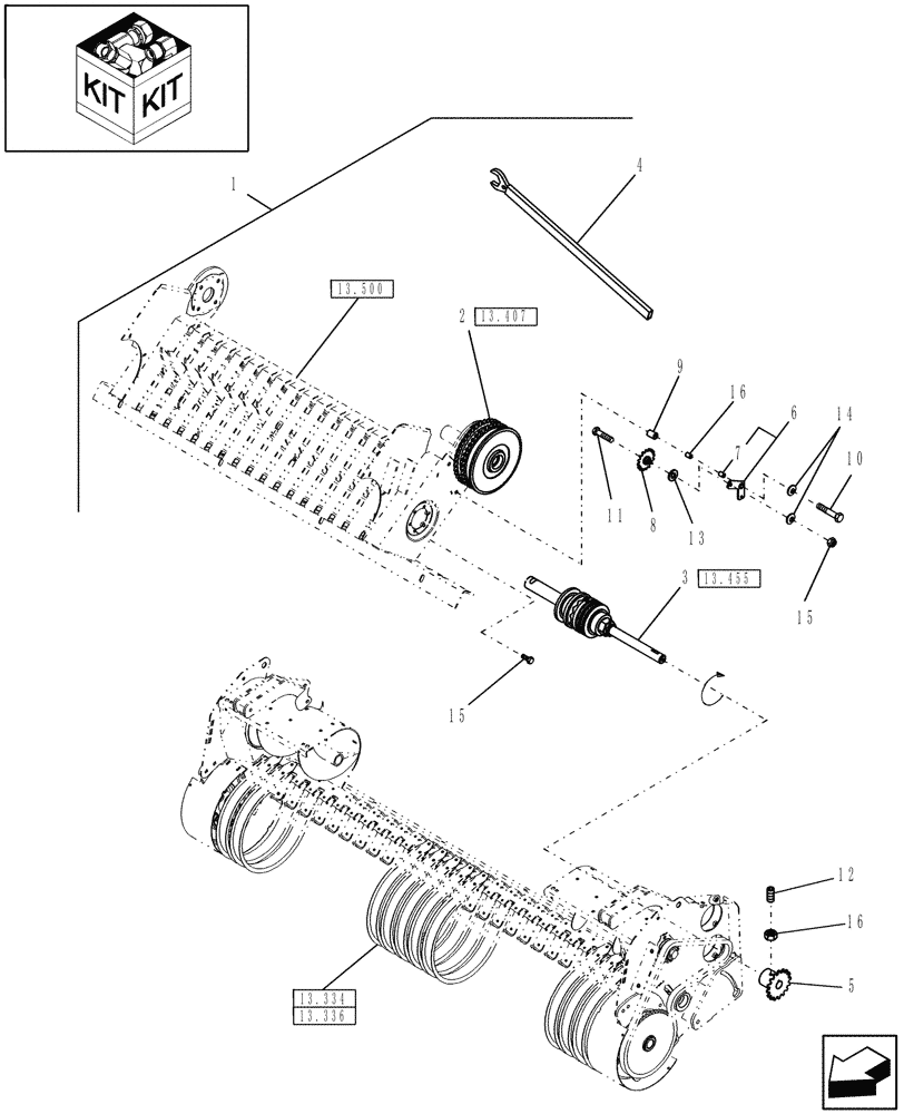
1
7
15
11
8
4
5
6
13.500
13.407
13.334
13.336
FIT
1:1
100%

Артикул

Название

Примечание

Количество

1

87047644

DIA KIT, HARVESTER

Ratchet Clutch, Includes: Installation Instructions

1шт.

Refer to Installation Instructions for Correct Assembly Procedure

1шт.

2

86626477

SPROCKET,29T / 39T

Double, 29T / 39T

1шт.

3

0C

ORDER COMPONENTS

Jaw Clutch

1шт.

4

87041658

OPEN END WRENCH

1шт.

5

87602188

SPROCKET

17T

1шт.

6

86636654

ARM

1шт.

Not Included in Kit. Shown for Reference Only.

1шт.

7

87040968

BUSHING

.752" ID x .875" OD x .750" Lg.

1шт.

Not Included in Kit. Shown for Reference Only.

1шт.

8

86627870

DRIVEN SPROCKET,15T

15T Idler

1шт.

Not Included in Kit. Shown for Reference Only.

1шт.

9

86705271

SPACER,13.5mm ID x 25.4mm OD x 34mm L

1шт.

10

814-12080

BOLT,Hex, M12 x 1.75 x 80mm, Cl 8.8

1шт.

11

814-12060

BOLT,Hex, M12 x 1.75 x 60mm, Cl 8.8

1шт.

Not Included in Kit. Shown for Reference Only.

1шт.

12

300483

SET SCREW,M10 x 25mm

1шт.

Not Included in Kit. Shown for Reference Only.

1шт.

13

495-11053

WASHER,1/2", SAE

1шт.

Not Included in Kit. Shown for Reference Only.

1шт.

14

140046

BELLEVILLE WASHER,M12 Bolt Size x 27mm OD x 1.8mm Thk

2шт.

Not Included in Kit. Shown for Reference Only.

1шт.

15

825-1412

NUT,M12, Cl 8

1шт.

Not Included in Kit. Shown for Reference Only.

1шт.

16

825-1410

NUT,M10, Cl 8

1шт.

Not Included in Kit. Shown for Reference Only.

1шт.

18

245531

WASHER,25.53mm ID x 31.24mm OD x 1.65mm Thk

1шт.

19

58225

WASHER,10.32mm ID x 31.8mm OD x 3.45mm Thk

1шт.

20

43127

BOLT,Hex, M8 x 1.25 x 25mm, Cl 8.8

1шт.

21

87654833

SPACER

1шт.

Выбрано товаров: 0