Запчасти Case IH RB464 (SECTION 07[RB464]) - PICTORIAL INDEX, HYDRAULICS (00) - GENERAL

Схема запчастей Case IH RB464 - (SECTION 07[RB464]) - PICTORIAL INDEX, HYDRAULICS (00) - GENERAL
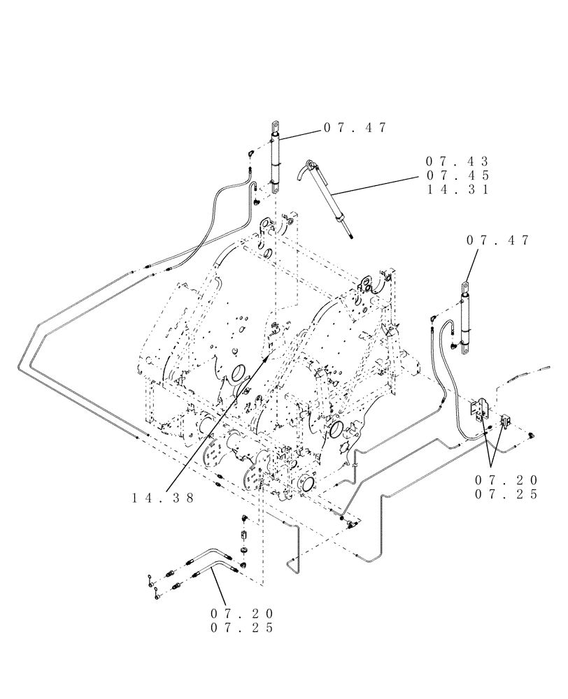
07.47
14.38
14.31
07.43
07.25
07.20
07.25
07.20
07.47
07.45
FIT
1:1
100%

Артикул

Название

Примечание

Количество

07.20

HYDRAULICS, NORTH AMERICA

1шт.

07.25

HYDRAULICS, EUROPE & R.O.W.

1шт.

07.41

HYDRAULIC CYLINDER, TAILGATE LIFT

1шт.

07.43

HYDRAULICS, BALE TENSION CYLINDERS

1шт.

07.45

HYDRAULICS, BALE TENSION, SINGLE CYLINDER

1шт.

07.47

HYDRAULIC CYLINDER, TAILGATE LIFT

1шт.

14.31

BELT TENSION

1шт.

14.38

TAILGATE LATCH

1шт.

Выбрано товаров: 0