Качественные детали и логистика
Оригинальные и аналоговые запчасти с доставкой по России, Казахстану и Беларуси
©2022 PartSell ООО "Система" ИНН 2463123282 ОГРН 1212400004838
Центральный офис: г. Красноярск, Академика Киренского, д.87, пом.4
Телефон: 8 (800) 777-65-74 Email: zakaz@partsell.ru
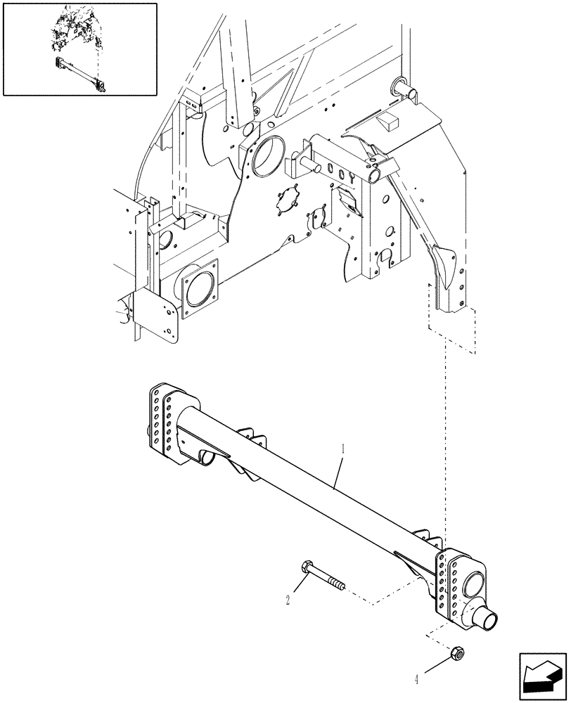
(05.10) - AXLE
№
Артикул
Название
Примечание
Количество
1
86978278
AXLE
1шт.
2
814-16090
BOLT,Hex, M16 x 2 x 90mm, Cl 8.8
6шт.
4
825-1416
NUT,M16, Cl 8
Выбрано товаров: 0