Запчасти Case IH RB465 (60.260.BL[05]) - ROTOR DRIVE, OVERSHOT FEEDER (60) - PRODUCT FEEDING

Схема запчастей Case IH RB465 - (60.260.BL[05]) - ROTOR DRIVE, OVERSHOT FEEDER (60) - PRODUCT FEEDING
19
9
18
13
20
13
21
7
14
25
28
8
5
1
16
15
10
12
22
4
27
14
6
11
23
3
26
2
24
17
FIT
1:1
100%

Артикул

Название

Примечание

Количество

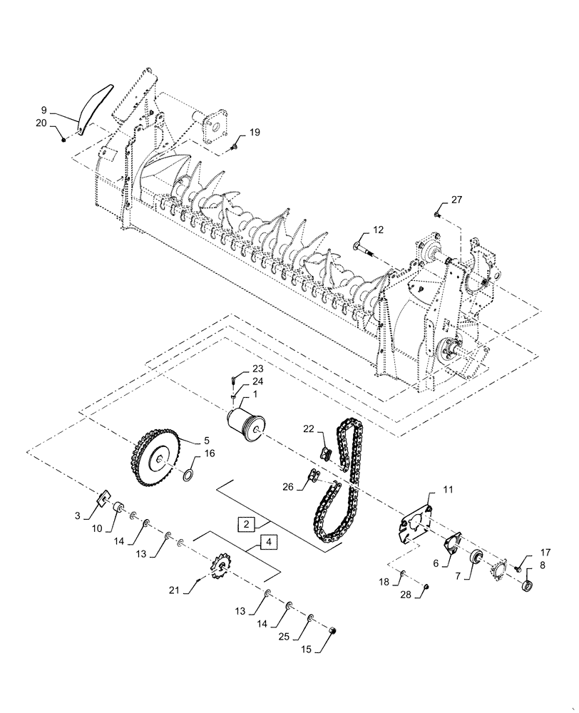
1

84414492

CLUTCH

1шт.

2

47591123

CHAIN

53 Pitches, RC80, Incl 22, 26

1шт.

3

47377066

PLATE

1шт.

4

84401598

SPROCKET,39.967mm ID x 118.4mm OD x 14.61mm Thk

13T, RC80, Incl 21

1шт.

5

84409652

SPROCKET

26T / 43T, RC80

1шт.

6

87758678

FLANGE

2шт.

7

63265

BALL BEARING,30.16mm ID x 62mm OD x 18mm W

1шт.

8

63266

COLLAR,30.187mm ID x 44.83mm OD x 16.26mm W

1шт.

9

84426556

WEAR STRIP

1шт.

10

86618413

HUB

1шт.

11

47674735

PLATE

1шт.

12

86636817

CARRIAGE BOLT,M16 x 100mm, Class 8.8

1шт.

13

47407

WASHER,16.7mm ID x 33.3mm OD x 0.75mm Thk

2шт.

14

87365

WASHER,0.66" ID x 1.31" OD x 0.1" Thk

1шт.

15

86000441

NUT,M16 x 2.0, Cl 8

1шт.

16

87334418

WASHER,1.5" ID x 2.25" OD x 0.07" Thk

1шт.

17

86050286

FLANGE BOLT,M10 x 20mm, Cl 8.8

7шт.

18

9827956

WASHER,10.3mm ID x 25.4mm OD x 2.67mm Thk

4шт.

19

308761

CARRIAGE BOLT,M8 x 1.25 x 25mm, Cl 8.8

1шт.

20

86619801

FLANGE NUT,M8 x 1.25, Cl 8

1шт.

21

390122

SET SCREW,Sq Hd, M8 x 25mm, Cl 12.9

1шт.

22

47435620

LINK,24.399mm Pitch

1шт.

Not Illustrated

1шт.

23

100016

NUT,M10 x 1.5, Cl 8

1шт.

24

393599

SET SCREW,M10 x 25mm, Cl 12.9

1шт.

25

140048

BELLEVILLE WASHER,M16 Bolt Size x 32mm OD x 2.8mm Thk

1шт.

26

47595530

CHAIN LINK

1шт.

Not Illustrated

1шт.

27

86633356

CARRIAGE BOLT,M10 x 34.8mm, Cl 8.8

4шт.

28

9804276

FLANGE NUT,Hex, M6 x 1, Cl 8

4шт.

Выбрано товаров: 30