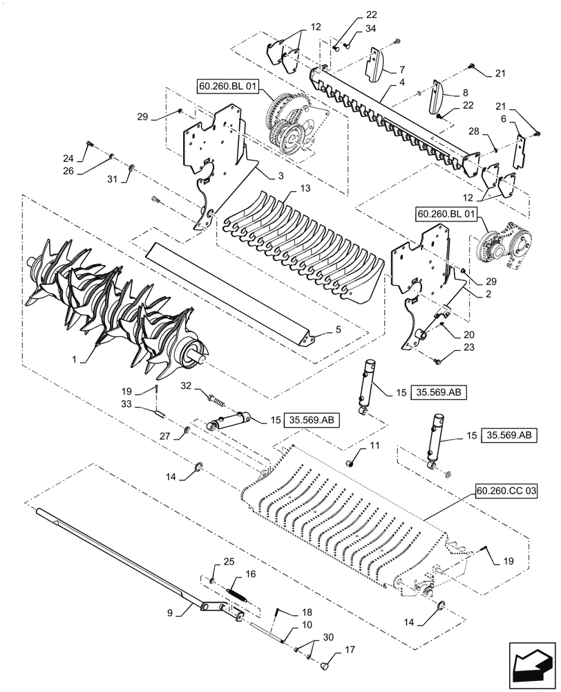
Запчасти Case IH RB465 (60.260.CC[02]) - ROTOR CUTTER, DROP FLOOR (60) - PRODUCT FEEDING

Схема запчастей Case IH RB465 - (60.260.CC[02]) - ROTOR CUTTER, DROP FLOOR (60) - PRODUCT FEEDING
60.260.bl 01
26
5
9
32
34
14
6
12
18
17
12
25
11
15
27
7
31
19
10
20
4
3
29
13
28
23
19
15
22
2
29
30
14
8
21
1
15
24
33
22
16
21
35.569.ab
35.569.ab
35.569.ab
60.260.cc 03
60.260.bl 01
FIT
1:1
100%

Артикул

Название

Примечание

Количество

1

84513336

ROTOR

Cutter, Drop Floor

1шт.

2

47837508

SHEET

LH

1шт.

3

47837500

SHEET

RH

1шт.

4

47722689

RAKE

1шт.

5

47837398

FLOOR

1шт.

6

84309329

SHEET

LH

1шт.

7

84309324

STRIP

RH

1шт.

8

84309333

STRIPPER

Center

16шт.

9

87649169

SHAFT

1шт.

10

84415133

ROD

1шт.

11

0C

ORDER COMPONENTS

Rotor Drives

1шт.

12

87648668

SHIM,125mm OD x 1mm Thk

4шт.

13

87649286

KNIFE ASSY

15шт.

14

58630

WASHER,.0299" Thk

2шт.

15

87029395

CYLINDER ASSY.,Double Acting, 19.05mm Rod, 119.89mm Stroke

3шт.

16

151990

SPRING,22.2mm OD x 127mm L

1шт.

17

372783

KNOB

1шт.

18

130045

PIN,5mm OD x 26mm L, Slotted

1шт.

19

80708

COTTER PIN,1/8" x 1 1/2"

4шт.

20

80714

LUBE NIPPLE,1/4"-28 NPT x .54" lg

1шт.

21

9804261

BOLT,Hex, M10 x 25mm, Cl 8.8, Full Thd

36шт.

22

86512446

CARRIAGE BOLT,M10 x 1.5 x 30mm, Cl 8.8

3шт.

23

9804266

BOLT,Hex, M12 x 25mm, Cl 8.8, Full Thd

4шт.

24

9706687

BOLT,M12 x 1.75 x 30mm, Cl 8.8

1шт.

25

9706691

WASHER,0.53" ID x 1.06" OD x 0.1" Thk

1шт.

26

80700

WASHER,0.56" ID x 1.38" OD x 0.11" Thk

1шт.

27

87365

WASHER,0.66" ID x 1.31" OD x 0.1" Thk

4шт.

28

140017

WASHER,M10 x 20mm OD x 2mm Thk

6шт.

29

9804278

FLANGE NUT,M10 x 1.5, Cl 8

5шт.

30

9706685

NUT,M12 x 1.75, Cl 8

2шт.

31

140046

BELLEVILLE WASHER,M12 Bolt Size x 27mm OD x 1.8mm Thk

1шт.

32

86977759

BOLT,Hex, 3/4" - 10 x 3 1/2", Gr 5

1шт.

33

84415132

PIN,16mm OD x 62.6mm L

1шт.

34

9626598

NUT,3/4"-10, GB

1шт.

Выбрано товаров: 34