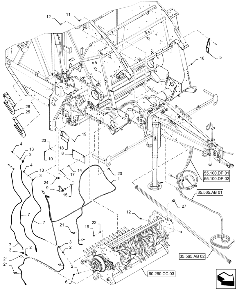
Запчасти Case IH RB465 (60.260.CC[04]) - VAR - 726914 - ROTOR CUTTER MOUNTING, DROP FLOOR (60) - PRODUCT FEEDING

Схема запчастей Case IH RB465 - (60.260.CC[04]) - VAR - 726914 - ROTOR CUTTER MOUNTING, DROP FLOOR (60) - PRODUCT FEEDING
22
1
21
20
21
2
35.565.ab 01
3
4
7
4
2
21
9
7
23
3
12
25
16
60.260.cc 03
27
13
5
35.565.ab 02
3
18
16
10
3
19
6
55.100.dp 01
11
8
17
13
7
2
55.100.dp 02
15
24
12
26
14
FIT
1:1
100%

Артикул

Название

Примечание

Количество

1

84593220

WIRE HARNESS

1шт.

2

86580291

ADAPTER,1/8" - 27 x 1/4" - 28

5шт.

3

48564

90 ELBOW,90 Degree, 11/16" x 5/8", 1/8" NPT

8шт.

4

80280397

LUBE NIPPLE,45 Degree, Female 1/8" NPTF

5шт.

5

47608366

STOP

LH

1шт.

6

11787

FITTING,3/8"-24 Fem x 1/8" NPT

2шт.

7

87014413

TUBE,4.80 mm OD x 1850 mm L

1шт.

Cut to Length Required

1шт.

8

84385577

FLAP

Rubber

2шт.

9

47608370

PLATE

2шт.

10

445394

RIVET,Pop, 3/16" x 1/2" OAL

1шт.

11

86633356

CARRIAGE BOLT,M10 x 34.8mm, Cl 8.8

8шт.

12

9804261

BOLT,Hex, M10 x 25mm, Cl 8.8, Full Thd

4шт.

13

87016

WASHER,0.41" ID x 0.81" OD x 0.07" Thk

5шт.

14

80702

WASHER,0.44" ID x 1" OD x 0.08" Thk

4шт.

15

140021

WASHER,22mm ID x 37mm OD x 3mm Thk

2шт.

16

9804278

FLANGE NUT,M10 x 1.5, Cl 8

10шт.

17

100037

LOCK NUT,M10 x 1.5, Cl 8

4шт.

18

47608368

STOP

RH

1шт.

19

9804256

BOLT,Hex, M6 x 1 x 20mm, Full Thd, Cl 8.8

4шт.

20

86512446

CARRIAGE BOLT,M10 x 1.5 x 30mm, Cl 8.8

2шт.

21

84292754

CLIP,Cable Tie W/ Fir Tree, 5mm OD x 203mm OAL

7шт.

22

140045

BELLEVILLE WASHER,M10 Bolt Size x 22mm OD x 1.6mm Thk

9шт.

23

86590413

BASE,15.87mm W x 22.22mm OAL x 9.9mm Thk

1шт.

24

86566989

CABLE TIE,208mm L

3шт.

25

47595531

BRACKET

LH

1шт.

26

47595532

BRACKET

RH

1шт.

27

372783

KNOB

1шт.

Выбрано товаров: 28