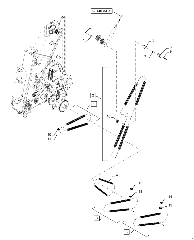
Запчасти Case IH RB465 (62.140.AI[02]) - DRIVE, LH, UNDERSHOT ROTOR (62) - PRESSING - BALE FORMATION

Схема запчастей Case IH RB465 - (62.140.AI[02]) - DRIVE, LH, UNDERSHOT ROTOR (62) - PRESSING - BALE FORMATION
7
12
8
5
1
6
2
10
10
7
4
13
15
9
11
3
14
62.140.aj 03
3
FIT
1:1
100%

Артикул

Название

Примечание

Количество

1

86611455

CHAIN,80P, 67 Links x 25.4mm = 1701.8mm

Incl 10, 11

1шт.

2

9804060

CHAIN,80, 158 Links x 25.4mm = 4013.2mm

Apron Drive, Incl 10

1шт.

3

86562829

CHAIN,100, 67 Links x 31.75mm = 2127.25mm

Incl 12, 13

1шт.

Rotor Feeder

1шт.

3

47531220

CHAIN,RC100HFP x 67 Total Pitches

Incl 15, 16

1шт.

Rotor Cutter

1шт.

4

86549269

CHAIN,RC80, 64 Links x 25.4mm = 1625.6mm

1шт.

5

84271552

IDLER,50.8mm OD x 56mm L

2шт.

6

84266904

PLATE

1шт.

7

80700

WASHER,0.56" ID x 1.38" OD x 0.11" Thk

4шт.

8

100038

NUT,M12 x 1.75, Cl 8

2шт.

9

86624981

BOLT,Hex, M12 x 85mm, Cl 8.8

2шт.

10

84356440

LINK,25.4mm Pitch

1шт.

11

47435620

LINK,24.399mm Pitch

1шт.

12

47435592

CONNECTING LINK

1шт.

13

47435621

CHAIN

1шт.

14

47531221

LINK, CONNECTING,Master, RC100HFP

1шт.

15

47531222

OFFSET LINK,RC100HFP

1шт.

Выбрано товаров: 0