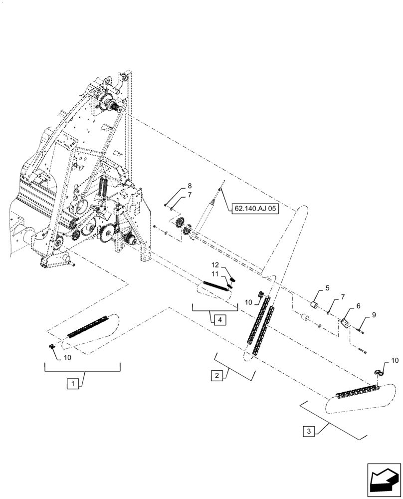
Запчасти Case IH RB465 (62.140.AI[04]) - DRIVE CHAINS, LH, OVERSHOT FEEDER (62) - PRESSING - BALE FORMATION

Схема запчастей Case IH RB465 - (62.140.AI[04]) - DRIVE CHAINS, LH, OVERSHOT FEEDER (62) - PRESSING - BALE FORMATION
12
7
6
10
2
10
3
8
10
7
62.140.aj 05
4
1
5
9
11
FIT
1:1
100%

Артикул

Название

Примечание

Количество

1

86549269

CHAIN,RC80, 64 Links x 25.4mm = 1625.6mm

Incl 10

1шт.

2

9804060

CHAIN,80, 158 Links x 25.4mm = 4013.2mm

Apron Drive, Incl 10

1шт.

3

9804061

CHAIN,80, 84 Links x 25.4mm = 2133.6mm

Incl 10

1шт.

4

84597734

CHAIN,60H-2, 69 Links x 19.05mm = 1314.45mm L

Incl 11, 12

1шт.

5

84271552

IDLER,50.8mm OD x 56mm L

2шт.

6

84266904

PLATE

1шт.

7

80700

WASHER,0.56" ID x 1.38" OD x 0.11" Thk

4шт.

8

100038

NUT,M12 x 1.75, Cl 8

2шт.

9

86508581

BOLT,Hex, M12 x 90mm, Cl 8.8

2шт.

10

84356440

LINK,25.4mm Pitch

3шт.

11

84605997

LINK,RC60H-2, 19.1mm Pitch

1шт.

12

84605986

OFFSET LINK,RC60H-2, 19.1mm Pitch

1шт.

Выбрано товаров: 0