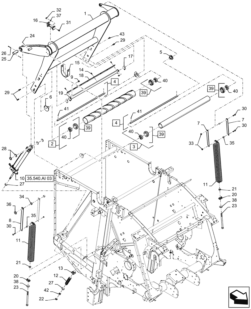
Запчасти Case IH RB465 (62.140.AQ[05]) - VAR - 727159 - BALE TENSION TAKE UP ARM AND TWO SPRINGS WITH LOOP ROLL, SINGLE HYD. CYLINDERS, IN CAB CONTROL, YFN188619 AND AFTER (62) - PRESSING - BALE FORMATION

Схема запчастей Case IH RB465 - (62.140.AQ[05]) - VAR - 727159 - BALE TENSION TAKE UP ARM AND TWO SPRINGS WITH LOOP ROLL, SINGLE HYD. CYLINDERS, IN CAB CONTROL, YFN188619 AND AFTER (62) - PRESSING - BALE FORMATION
35.540.ai 03
15
32
11
3
38
40
35
39
41
18
10
42
24
9
7
40
16
39
26
29
23
22
12
19
1
14
21
33
23
21
29
36
34
37
28
30
39
31
4
35
13
25
40
40
38
2
7
11
39
41
30
27
27
5
43
30
20
17
6
8
20
4
FIT
1:1
100%

Артикул

Название

Примечание

Количество

1

47689488

ARM

Take Up

1шт.

2

47512226

ROLL

Front Serpentine, Loop, Incl 39

1шт.

3

84601406

ROLL

Rear Serpentine, Incl 39

1шт.

4

9823372

SHAFT,1135mm L

Incl 41

1шт.

5

87646324

SUPPORT

2шт.

6

87654792

SUPPORT

2шт.

7

86978164

LINK,520mm L

2шт.

8

86637229

LINK,489mm L

2шт.

9

86050286

FLANGE BOLT,M10 x 20mm, Cl 8.8

4шт.

10

0C

ORDER COMPONENTS

SINGLE HYD. CYLINDERS, IN CAB CONTROL - VAR 727159

1шт.

11

87654704

SPRING

2шт.

12

87655350

SPRING,Compression, 1.81" OD x 9.44" L

1шт.

13

87654703

PIVOT

1шт.

14

9804258

BOLT,Hex, M8 x 1.25 x 20mm, Cl 8.8

8шт.

15

9617265

BAND

2шт.

16

86636552

BEARING CAP

2шт.

17

47527692

SHIM,54mm OD x 0.4mm Thk

2шт.

18

9845575

SCRAPER BLADE

1шт.

19

87040645

ANGLE

1шт.

20

84407658

PIVOT

2шт.

21

280954

NUT,3/4"-10, G5

2шт.

22

87314

JAM NUT,Jam, 7/8"-9, G2

1шт.

23

633038

THREADED ROD,3/4" - 10 x 11-1/2" L

2шт.

24

87399

COTTER PIN,1/2 x 3 Bolt

1шт.

25

86515940

PIN,38.1mm OD x 91.5mm L

1шт.

26

87400

COTTER PIN,3/16" x 2"

2шт.

27

257163

WASHER,25.4mm ID x 50.8mm OD x 4.17mm Thk

2шт.

28

28581

WASHER,38.9mm ID x 60.3mm OD x 3.5mm Thk

4шт.

29

86627635

BOLT,Hex, M12 x 1.75 x 30mm, Cl 10.9

2шт.

30

9804264

FLANGE BOLT,M10 x 50mm, 26mm Thd, Cl 8.8

3шт.

31

9804268

BOLT,Hex, M12 x 40mm, Cl 8.8, Full Thd

1шт.

32

86619803

FLANGE NUT

4шт.

33

100037

LOCK NUT,M10 x 1.5, Cl 8

3шт.

34

87655372

SPACER,25.9mm ID x 31.5mm OD x 16.8mm Thk

2шт.

35

86636659

SPACER,10.28mm ID x 15.85mm OD x 21.84mm L

3шт.

36

87367

WASHER,1.06" ID x 2" OD x 0.13" Thk

1шт.

37

87364

WASHER,0.53" ID x 1.06" OD x 0.1" Thk

4шт.

38

86511191

WASHER,0.81" ID x 2" OD x 0.15" Thk

2шт.

39

47504953

BEARING HOUSING,73mm ID x 106.1mm OD x 30mm Thk

Incl 40

4шт.

40

84259867

BALL BEARING,38.1mm ID x 80mm OD x 22mm W

4шт.

41

130045

PIN,5mm OD x 26mm L, Slotted

2шт.

42

9849647

NUT,7/8"-9, G5

1шт.

43

47945176

BOLT

2шт.

Выбрано товаров: 43