Запчасти Case IH RB465 (68.170.AH[01]) - DUCKBILL DRIVE MOUNTING PARTS (68) - TYING/WRAPPING

Схема запчастей Case IH RB465 - (68.170.AH[01]) - DUCKBILL DRIVE MOUNTING PARTS (68) - TYING/WRAPPING
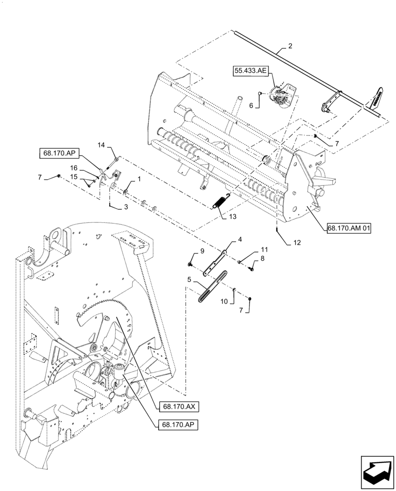
4
5
14
8
7
10
13
2
16
68.170.ap
7
68.170.ax
15
7
3
11
1
55.433.ae
6
12
9
68.170.ap
68.170.am 01
FIT
1:1
100%

Артикул

Название

Примечание

Количество

1

86624166

WASHER,0.91" ID x 1.5" OD x 0.06" Thk

5шт.

2

47707358

SHAFT

1шт.

3

280251

COTTER PIN,3/32" OD x 1" OAL

1шт.

4

84568800

PLATE

1шт.

5

84568797

ANGLE

1шт.

6

120041

CARRIAGE BOLT,M10 x 20mm, Cl 8.8

2шт.

7

9804278

FLANGE NUT,M10 x 1.5, Cl 8

5шт.

8

9804262

BOLT,M10 x 39.2mm, Cl 8.8

2шт.

9

86633356

CARRIAGE BOLT,M10 x 34.8mm, Cl 8.8

2шт.

10

140045

BELLEVILLE WASHER,M10 Bolt Size x 22mm OD x 1.6mm Thk

2шт.

11

698748

BUSHING,10.3mm ID x 15.88mm OD x 9.53mm L

1шт.

12

280251

COTTER PIN,3/32" OD x 1" OAL

1шт.

13

86640785

SPRING,Extension, 31.75mm OD x 120.65mm L

1шт.

14

144403

EYEBOLT

1шт.

15

9635082

NUT,5/16" - 18, Gr 5

2шт.

16

83918746

WASHER,0.34" ID x 0.69" OD x 0.07" Thk

1шт.

Выбрано товаров: 16