Запчасти Case IH RB465 (90.105.AS[04]) - VAR - 722000 - PICKUP SHIELDS, OVERSHOT FEEDER .. 4 X 6 (90) - PLATFORM, CAB, BODYWORK AND DECALS

Схема запчастей Case IH RB465 - (90.105.AS[04]) - VAR - 722000 - PICKUP SHIELDS, OVERSHOT FEEDER .. 4 X 6 (90) - PLATFORM, CAB, BODYWORK AND DECALS
24
21
6
17
16
19
18
9
23
11
15
8
25
2
1
19
4
22
12
5
10
7
28
14
27
13
20
3
26
FIT
1:1
100%

Артикул

Название

Примечание

Количество

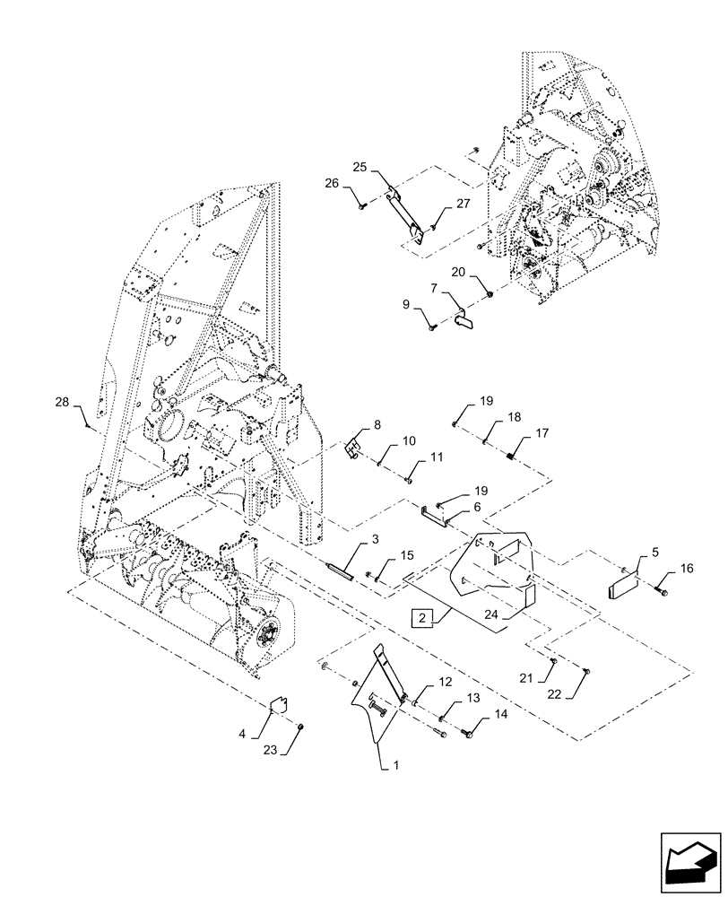
1

47481557

SHIELD

LH, Overshot Rotor

1шт.

2

47564014

SHIELD

LH, Fixed, Incl 29

1шт.

3

47394340

SHAFT

1шт.

4

47427240

COVER

2шт.

5

47364371

SHIELD

1шт.

6

47394554

BRACKET

1шт.

7

84594639

BRACKET

1шт.

8

47325

CLIP

1шт.

9

9804256

BOLT,Hex, M6 x 1 x 20mm, Full Thd, Cl 8.8

2шт.

10

280254

LOCK WASHER,5.18mm ID x 9.68mm OD x 0.64mm Thk

1шт.

11

86511920

SCREW,Phillips Drive, Pan HD, #10 - 24 x 1/2"

1шт.

12

698748

BUSHING,10.3mm ID x 15.88mm OD x 9.53mm L

1шт.

13

140017

WASHER,M10 x 20mm OD x 2mm Thk

1шт.

14

9804262

BOLT,M10 x 39.2mm, Cl 8.8

1шт.

15

87363

WASHER,0.47" ID x 0.92" OD x 0.07" Thk

2шт.

16

86511842

BOLT,M8 x 1.25 x 48.1mm OAL, Cl 8.8

2шт.

17

11104

SPRING

1шт.

18

87362

WASHER,5/16" SAE

2шт.

19

9804277

FLANGE NUT,Hex, M8 x 1.25, Cl 8

6шт.

20

86610198

INSERT,M6 x 1

2шт.

21

9804258

BOLT,Hex, M8 x 1.25 x 20mm, Cl 8.8

7шт.

22

86511841

BOLT,Flng, M8 x 1.25 x 16mm, Full Thd, Cl 8.8

1шт.

23

9804276

FLANGE NUT,Hex, M6 x 1, Cl 8

4шт.

24

47446960

SHIELD

2шт.

25

47436951

REINFORCEMENT

1шт.

26

9804261

BOLT,Hex, M10 x 25mm, Cl 8.8, Full Thd

4шт.

27

9804278

FLANGE NUT,M10 x 1.5, Cl 8

4шт.

28

9706703

CARRIAGE BOLT,Sht Sq Nk, M6 x 1 x 20mm, Cl 8.8, Full Thd

4шт.

29

84004734

WARNING DECAL

1шт.

Выбрано товаров: 29