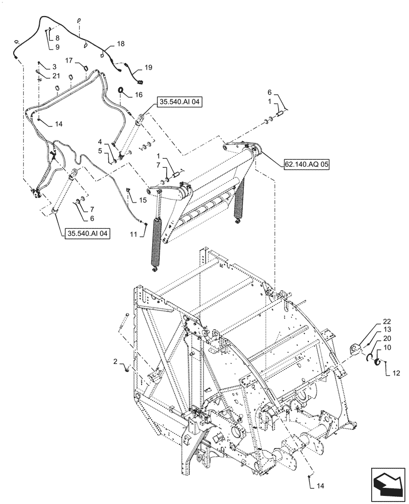
Запчасти Case IH RB465 (35.540.AK[03]) - BELT TENSION, DUAL HYDDRAULIC CYLINDER, WITH BYPASS VALVE (35) - HYDRAULIC SYSTEMS

Схема запчастей Case IH RB465 - (35.540.AK[03]) - BELT TENSION, DUAL HYDDRAULIC CYLINDER, WITH BYPASS VALVE (35) - HYDRAULIC SYSTEMS
35.540.ai 04
6
19
11
22
15
8
14
7
9
6
1
4
10
20
1
18
2
7
5
21
14
13
12
3
17
16
62.140.aq 05
35.540.ai 04
FIT
1:1
100%

Артикул

Название

Примечание

Количество

1

86515940

PIN,38.1mm OD x 91.5mm L

2шт.

2

257163

WASHER,25.4mm ID x 50.8mm OD x 4.17mm Thk

2шт.

3

9671714

FLANGE BOLT,Hex, M8 x 1.25 x 25mm, Cl 8.8

1шт.

4

87367

WASHER,1.06" ID x 2" OD x 0.13" Thk

4шт.

5

87399

COTTER PIN,1/2 x 3 Bolt

3шт.

6

87400

COTTER PIN,3/16" x 2"

4шт.

7

28581

WASHER,38.9mm ID x 60.3mm OD x 3.5mm Thk

8шт.

8

86010402

CLAMP,12.7mm, Coat, 10.3mm Bolt Hole, P Type

2шт.

9

381014

SCREW,Flng, M8 x 16mm

2шт.

10

84384411

PRESSURE GAUGE,3000 PSI, 1/4" NPT

Belt Tension

1шт.

11

241971

HYD CONNECTOR,9/16"-18, 37 Degree x 1/4"-18, Fem Pipe

1шт.

12

425520

RIVET,Pop, 3.96mm OD x 10.4mm L

3шт.

13

9804258

BOLT,Hex, M8 x 1.25 x 20mm, Cl 8.8

10шт.

14

86629542

NUT,M8 x 1.25, Cl 8.8

4шт.

15

84292754

CLIP,Cable Tie W/ Fir Tree, 5mm OD x 203mm OAL

2шт.

16

529828

GROMMET,2 1/8" x 2 7/8" x 2 1/2"

2шт.

17

87034173

CABLE TIE,774.7mm L

2шт.

18

47563960

WIRE HARNESS

Baler BP

1шт.

19

47563962

WIRE HARNESS

Bale BK

1шт.

20

84603722

DECAL

Belt Tension

1шт.

21

700514

CLAMP,3.8mm, Coat, M8 Bolt

4шт.

22

84399830

SUPPORT

Pressure Guage

1шт.

Выбрано товаров: 22