Запчасти Case IH RB465 (39.110.AM[01]) - HITCH (39) - FRAMES AND BALLASTING

Схема запчастей Case IH RB465 - (39.110.AM[01]) - HITCH (39) - FRAMES AND BALLASTING
39.110.af
14
1
13
4
7
15
19
20
5
18
9
9
12
3
8
11
10
16
17
9
11
9
6
2
10
FIT
1:1
100%

Артикул

Название

Примечание

Количество

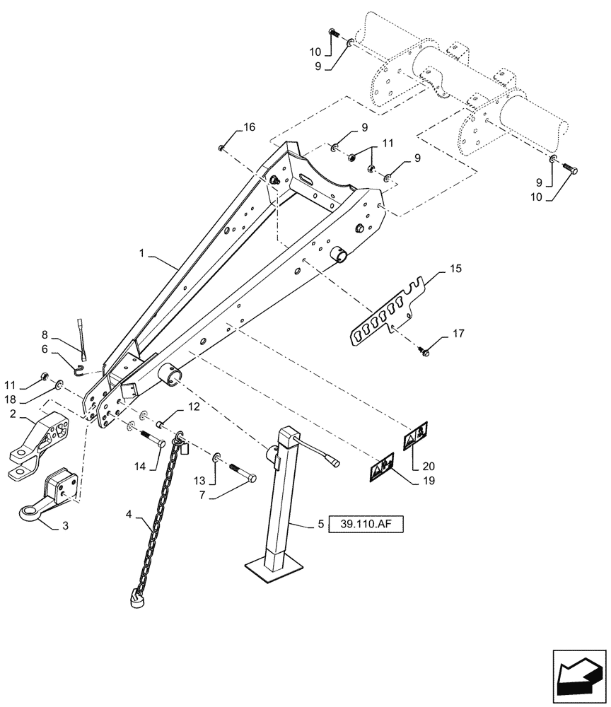
1

47358981

HITCH

1шт.

2

47523517

CLEVIS

1шт.

2

47795882

CLEVIS

Steel

1шт.

Used on Overshot Feeder Pickups, Std. Pickups and Stuffer Feeder Pickups.

1шт.

2

47795886

CLEVIS

Steel

1шт.

Used on Rotor Cutter and Rotor Feeder Pickups.

1шт.

3

84533195

CLEVIS

Ring

1шт.

4

797900

CHAIN

1шт.

5

86643129

JACK

1шт.

6

115680

HOOK

2шт.

7

362573

BOLT,Hex, M16 x 150mm, Cl 8.8

1шт.

8

273672

FASTENER

1шт.

9

64053

WASHER,16.9mm ID x 38.55mm OD x 4mm Thk

20шт.

10

120092

BOLT,M16 x 70mm, Cl 8.8

10шт.

11

86000441

NUT,M16 x 2.0, Cl 8

13шт.

12

86607695

SPACER,17.48mm ID x 28.6mm OD x 20.6mm L

1шт.

13

636422

WASHER,16.66mm ID x 69.85mm OD

1шт.

14

321246

BOLT,Hex, M16 x 2 x 120mm, Cl 8.8

2шт.

15

84368723

SUPPORT

1шт.

16

9804279

FLANGE NUT,Hex, M12, Cl 8

2шт.

17

9804266

BOLT,Hex, M12 x 25mm, Cl 8.8, Full Thd

2шт.

18

130358

WASHER,16.28mm ID x 38.35mm OD x 4.11mm Thk

6шт.

19

47361278

DANGER DECAL

1шт.

20

47361285

WARNING DECAL

540 RPM

1шт.

Choose Ref. 20 Based on PTO Type.

1шт.

20

47361283

DANGER DECAL

1000 RPM

1шт.

Choose Ref. 20 Based on PTO Type.

1шт.

Выбрано товаров: 27