Запчасти Case IH RB554 (08.98[2]) - DECALS, LH (08) - SHEET METAL/DECALS

Схема запчастей Case IH RB554 - (08.98[2]) - DECALS, LH (08) - SHEET METAL/DECALS
27
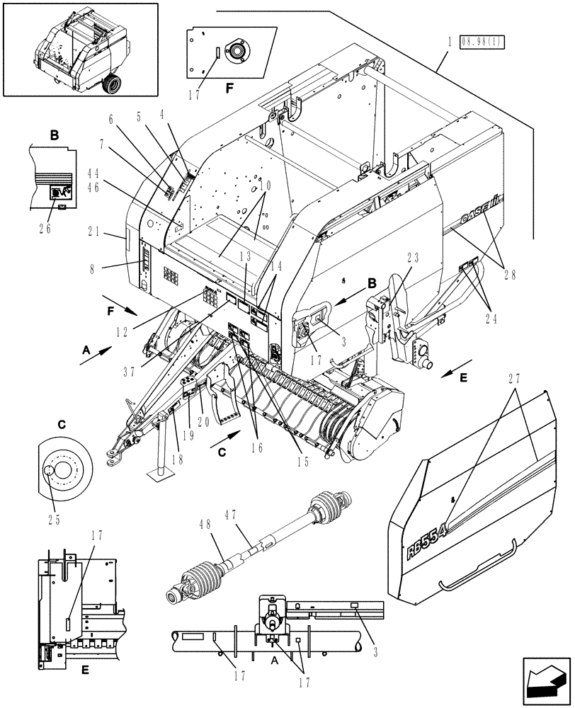
17
18
19
14
23
17
26
4
15
16
12
24
37
28
46
8
1
48
25
08.98(1)
17
17
44
13
3
10
7
17
6
21
3
20
5
47
FIT
1:1
100%

Артикул

Название

Примечание

Количество

1

0C

ORDER COMPONENTS

Includes: Decals Shown in Fig. 08.98-1, 08.98-2 & Decal Placement Guide.

1шт.

87609634

1шт.

3

87037375

WARNING DECAL

Net Knife, English

2шт.

3

87037730

DECAL

WARNING, Net Knife, French

2шт.

Locate French Decal Adjacent to English Decal Where Possible. Install French Decal Over English Decal Where Necessary.

1шт.

4

86978512

DECAL

Bale Stop

1шт.

5

86619205

DECAL

Bale Size

1шт.

6

86619207

DECAL

Latch Open

1шт.

7

86619208

DECAL

Latch Closed

1шт.

8

86642358

DECAL

Cut

1шт.

10

86643976

ANTI-SKID STRIP

Safety, 4" x 56"

2шт.

12

86979306

EMBLEM

CIH Logo

1шт.

13

86622073

WARNING DECAL

English

1шт.

13

86622074

WARNING DECAL

French

1шт.

Locate French Decal Adjacent to English Decal Where Possible. Install French Decal Over English Decal Where Necessary.

1шт.

14

84337031

DANGER DECAL

English

1шт.

14

84346730

DANGER DECAL

French

1шт.

Locate French Decal Adjacent to English Decal Where Possible. Install French Decal Over English Decal Where Necessary.

1шт.

15

87014378

WARNING DECAL

Electric Risk, English

1шт.

15

87014380

WARNING DECAL

DANGER, Electric Risk, French

1шт.

Locate French Decal Adjacent to English Decal Where Possible. Install French Decal Over English Decal Where Necessary.

1шт.

16

86632699

WARNING DECAL

English

1шт.

16

86632803

WARNING DECAL

WARNING, French

1шт.

Locate French Decal Adjacent to English Decal Where Possible. Install French Decal Over English Decal Where Necessary.

1шт.

17

165109

DECAL

Lube Fitting

7шт.

18

9826789

DANGER DECAL,180mm x 90mm H

1шт.

19

87041060

WARNING DECAL

English

1шт.

19

87042011

WARNING DECAL

French

1шт.

Locate French Decal Adjacent to English Decal Where Possible. Install French Decal Over English Decal Where Necessary.

1шт.

20

87521354

DECAL

C-V Driveline Lube, 50 Hr. Lube Interval

1шт.

21

86547782

REFLECTOR,YELLOW

Yellow Retroreflective

2шт.

23

86631518

DANGER DECAL

English

4шт.

23

86632801

DECAL

DANGER, French

4шт.

Locate French Decal Adjacent to English Decal Where Possible. Install French Decal Over English Decal Where Necessary.

1шт.

24

86631519

DANGER DECAL

English

3шт.

24

86632802

DECAL

DANGER, French

3шт.

Locate French Decal Adjacent to English Decal Where Possible. Install French Decal Over English Decal Where Necessary.

1шт.

25

86636717

DECAL

Circle

1шт.

26

86642356

DECAL

Net Routing

1шт.

27

87618578

PLASTIC SIGN

Front Stripe, LH, RB554

1шт.

28

87662328

DECAL

LH, CIH

1шт.

37

87041061

WARNING DECAL

English

1шт.

37

87042013

DECAL

WARNING, French

1шт.

Locate French Decal Adjacent to English Decal Where Possible. Install French Decal Over English Decal Where Necessary.

1шт.

44

NS

NOT SERVICED

Model Plate

1шт.

46

86598785

SELF-TAP SCREW

Rd Hd, Stainless Steel, #4 x 1/4"

2шт.

47

849472

DANGER DECAL

English

1шт.

47

849483

DANGER DECAL

French

1шт.

Locate French Decal Adjacent to English Decal Where Possible. Install French Decal Over English Decal Where Necessary.

1шт.

48

9826789

DANGER DECAL,180mm x 90mm H

English

1шт.

48

9827448

DANGER DECAL

French

1шт.

Locate French Decal Adjacent to English Decal Where Possible. Install French Decal Over English Decal Where Necessary.

1шт.

Выбрано товаров: 52