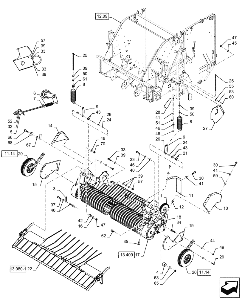
Запчасти Case IH RB564 (13.411[1]) - 2M WIDE PICKUP & STUFFER FEEDER, NORTH AMERICA (13) - FEEDER

Схема запчастей Case IH RB564 - (13.411[1]) - 2M WIDE PICKUP & STUFFER FEEDER, NORTH AMERICA (13) - FEEDER
11.14
21
33
33
28
55
57
35
14
67
39
13
46
30
68
49
45
7
4
20
15
19
26
25
61
53
66
43
9
3
43
1
29
39
39
24
33
17
9
41
51
8
62
46
46
20
50
6
25
34
39
42
65
39
50
57
12
59
26
39
47
18
30
16
41
52
48
22
37
33
40
11
63
47
60
24
8
27
40
32
5
44
70
41
13.980-1
12.09
13.409
11.14
FIT
1:1
100%

Артикул

Название

Примечание

Количество

1

854233

KIT,60-HE, 62 Links x 19.05mm = 1181.1mm

Roller, 60HE, 62 Pitches

1шт.

3

86631510

CHAIN,850.9mm L

2шт.

4

86613200

IDLER,89mm OD x 47.7mm W

1шт.

5

87050048

ROCKER

1шт.

6

86566303

SPRING

1шт.

7

86628567

EYEBOLT

G2, 3/8"-16 x 8-3/4"

1шт.

8

86630851

SPRING

2шт.

9

87040006

LINK ASSY.

2шт.

11

87045487

SHIELD

1шт.

12

86610198

INSERT,M6 x 1

Threaded, M6

12шт.

13

86626278

SHIELD

Upper, LH

1шт.

14

87055752

SHIELD

Upper, RH

1шт.

15

86625649

SHIELD

Lower, RH

1шт.

16

213404

SPACER,10.3mm ID x 38.1mm OD x 5.2mm OAL

2шт.

17

0C

ORDER COMPONENTS

2M Wide Pickup, Stuffer Feeder

1шт.

18

87028682

CHAIN (AG)

Roller, RC50, 100 Pitches

1шт.

19

86626383

SHIELD

Lower, LH

1шт.

20

0C

ORDER COMPONENTS

Pickup Tire & Arm

2шт.

21

87364

WASHER,0.53" ID x 1.06" OD x 0.1" Thk

2шт.

22

0C

ORDER COMPONENTS

Windguard, Refer to Fig. 13.980-2

1шт.

23

86610200

THREADED INSERT,M8 x 1.25

M8

4шт.

24

705996

BUSHING

7/8" L

4шт.

25

86632865

BOLT,444.50mm

1/2"-13 x 17-1/2" L

2шт.

26

646056

SPACER,13/32” ID x .750” OD x .338” Tk.

2шт.

27

0C

ORDER COMPONENTS

Shield, Stuffer

1шт.

28

87017232

SHIELD

1шт.

29

814-12060

BOLT,Hex, M12 x 1.75 x 60mm, Cl 8.8

2шт.

30

844-6020

BOLT,Hvy Hex, M6 x 20mm, Cl 8.8

19шт.

32

495-11041

WASHER,0.406" ID x 0.812" OD x 0.065" W

1шт.

33

614-12040

BOLT,Hex, M12 x 1.75 x 40mm, Cl 8.8, Full Thd

4шт.

34

80043480

BOLT

Rnd Hd Square Neck, M8.8 Course Thd

2шт.

35

9706703

CARRIAGE BOLT,Sht Sq Nk, M6 x 1 x 20mm, Cl 8.8, Full Thd

1шт.

36

811-8020

CARRIAGE BOLT,Sht Sq Nk, M8 x 1.25 x 20mm, Cl 8.8

6шт.

37

9804265

FLANGE BOLT,Hex, M10 x 60mm, Cl 8.8

2шт.

38

844-10020

BOLT,Hvy Hex, M10 x 20mm, Cl 8.8

1шт.

39

65319

WASHER,13.1mm ID x 25.4mm OD x 3.68mm Thk

18шт.

40

495-21044

WASHER,3/8"

12шт.

41

322357

BELLEVILLE WASHER,M6 Bolt Size x 14mm OD x 1.3mm Thk

20шт.

42

87020910

SPACER,10.4mm ID x 19mm OD x 8.9mm Thk

2шт.

43

80700

WASHER,0.56" ID x 1.38" OD x 0.11" Thk

1шт.

44

140046

BELLEVILLE WASHER,M12 Bolt Size x 27mm OD x 1.8mm Thk

4шт.

45

495-21038

WASHER,5/16"

4шт.

46

140045

BELLEVILLE WASHER,M10 Bolt Size x 22mm OD x 1.6mm Thk

3шт.

47

100037

LOCK NUT,M10 x 1.5, Cl 8

2шт.

48

825-1410

NUT,M10, Cl 8

1шт.

49

9804279

FLANGE NUT,Hex, M12, Cl 8

2шт.

Installed in Front of the Rotor

1шт.

50

425-108

NUT,1/2" - 13, Gr 5

2шт.

51

825-2406

FLANGE NUT,M6 x 1, Cl 8.8

2шт.

52

425-106

NUT,3/8"-16, Cl 5

2шт.

53

493-21020

LOCK WASHER,Int Tooth, #10

1шт.

55

47325

CLIP

1шт.

57

100038

NUT,M12 x 1.75, Cl 8

4шт.

59

495-21031

WASHER,1/4"

8шт.

60

440-1108

SCREW,Cross Pan Hd, #10-24 x 1/2"

1шт.

61

86631096

SPRING NUT

Spring

2шт.

62

412185

CARRIAGE BOLT,Short Sq Nk, M16 x 2 x 50mm, Cl 8.8, Full Thd

1шт.

63

87365

WASHER,0.66" ID x 1.31" OD x 0.1" Thk

2шт.

64

832-46416

NUT,M16 x 2, Cl 8

1шт.

65

86000441

NUT,M16 x 2.0, Cl 8

1шт.

66

9804262

BOLT,M10 x 39.2mm, Cl 8.8

2шт.

67

87020910

SPACER,10.4mm ID x 19mm OD x 8.9mm Thk

2шт.

68

213404

SPACER,10.3mm ID x 38.1mm OD x 5.2mm OAL

2шт.

70

9804278

FLANGE NUT,M10 x 1.5, Cl 8

2шт.

Выбрано товаров: 64