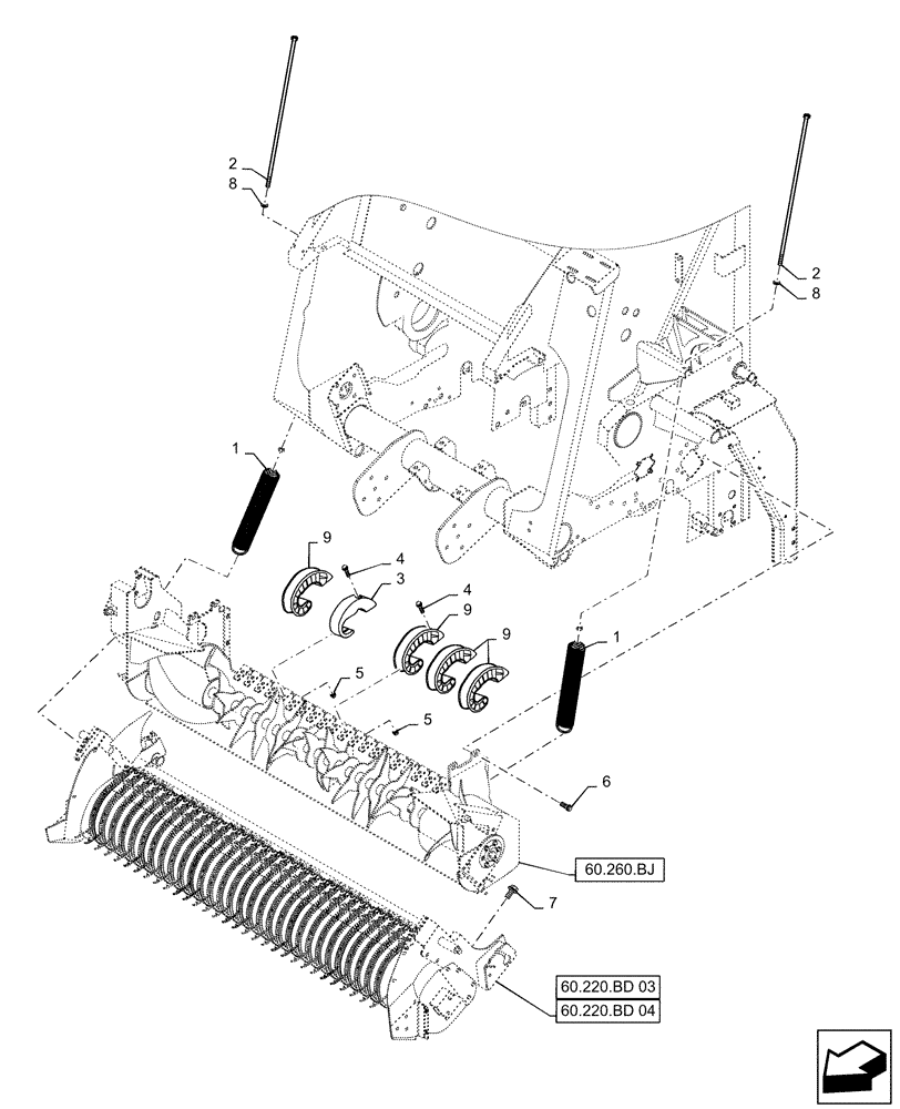
Запчасти Case IH RB565 (60.220.BD[05]) - PICK-UP, FLOATATION SPRING (60) - PRODUCT FEEDING

Схема запчастей Case IH RB565 - (60.220.BD[05]) - PICK-UP, FLOATATION SPRING (60) - PRODUCT FEEDING
1
60.220.bd 03
8
60.260.bj
3
60.220.bd 04
7
9
6
8
4
9
2
1
4
2
5
5
9
FIT
1:1
100%

Артикул

Название

Примечание

Количество

1

84490994

SPRING

2шт.

Components are NSS

1шт.

2

84490933

BOLT

2шт.

3

47535979

STRIPPER

Center

1шт.

4

86511842

BOLT,M8 x 1.25 x 48.1mm OAL, Cl 8.8

15шт.

1.8M Overshot Rotor

1шт.

4

86511842

BOLT,M8 x 1.25 x 48.1mm OAL, Cl 8.8

21шт.

2.0M Overshot Rotor

1шт.

5

86610201

INSERT,M8

15шт.

1.8M Overshot Rotor

1шт.

5

86610201

INSERT,M8

21шт.

2.0M Overshot Rotor

1шт.

6

9804266

BOLT,Hex, M12 x 25mm, Cl 8.8, Full Thd

10шт.

1.8M Overshot Rotor

1шт.

6

9804266

BOLT,Hex, M12 x 25mm, Cl 8.8, Full Thd

14шт.

2.0M Overshot Rotor

1шт.

7

9706685

NUT,M12 x 1.75, Cl 8

2шт.

8

65319

WASHER,13.1mm ID x 25.4mm OD x 3.68mm Thk

2шт.

9

47535821

STRIPPER

14шт.

1.8M Overshot Rotor

1шт.

9

47535821

STRIPPER

20шт.

2.0M Overshot Rotor

1шт.

Выбрано товаров: 22