Запчасти Case IH RB565 (60.260.BL[02]) - OVERSHOT FEEDER SHIELDS & DRIVE, RH (60) - PRODUCT FEEDING

Схема запчастей Case IH RB565 - (60.260.BL[02]) - OVERSHOT FEEDER SHIELDS & DRIVE, RH (60) - PRODUCT FEEDING
60.260.bj 01
27
21
3
9
33
12
22
18
29
16
8
32
5
6
12
13
9
30
32
14
18
1
25
31
14
20
19
28
10
24
9
23
15
4
7
12
13
17
26
2
11
11
60.220.cc 02
60.220.bd 04
60.220.bd 02
FIT
1:1
100%

Артикул

Название

Примечание

Количество

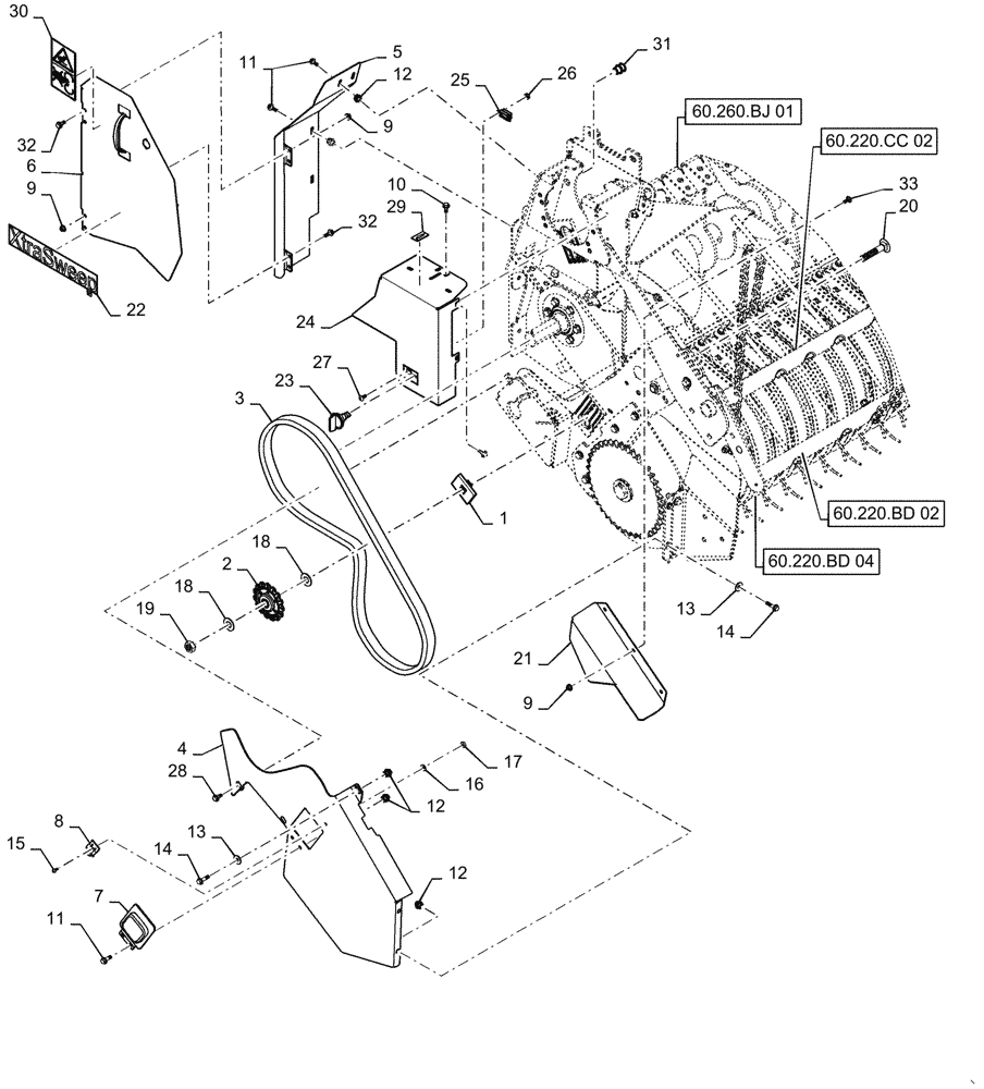
1

47377066

PLATE

1шт.

2

84602660

IDLER

15T

1шт.

3

84414870

CHAIN

RC60, 92 Pitches, Incl 34

1шт.

4

84488186

SHIELD

1шт.

5

84485545

SHIELD

1шт.

6

47456909

DOOR

1шт.

7

84290564

COVER

1шт.

8

47325

CLIP

1шт.

9

9804276

FLANGE NUT,Hex, M6 x 1, Cl 8

7шт.

10

9804255

BOLT,Hex, M6 x 1 x 16mm, Full Thd, Cl 8.8

4шт.

11

9804256

BOLT,Hex, M6 x 1 x 20mm, Full Thd, Cl 8.8

6шт.

12

86610198

INSERT,M6 x 1

12шт.

13

322357

BELLEVILLE WASHER,M6 Bolt Size x 14mm OD x 1.3mm Thk

3шт.

14

9804257

FLANGE BOLT,Hex, M6 x 1.0 x 25mm, Cl 8.8, Full Thd

3шт.

15

385683

BOLT,M4 x 0.7 x 12.92mm, Cl 8.8

1шт.

16

9824840

WASHER,4.3mm ID x 9mm OD x 0.8mm Thk

1шт.

17

100012

NUT,M4 x 0.7, Cl 8

1шт.

18

130358

WASHER,16.28mm ID x 38.35mm OD x 4.11mm Thk

2шт.

19

100020

NUT,M16 x 2.0, Cl 8

1шт.

20

47487761

CARRIAGE BOLT,Reg Sq Nk, M16 x 2 x 70mm, Cl 8.8

1шт.

21

84486263

COVER

1шт.

22

86512439

CARRIAGE BOLT,M6 x 16mm, Cl 8.8

3шт.

23

9705390

LATCH

1шт.

24

84549559

SHIELD

1шт.

25

9840986

CLIP

1шт.

26

87304

NUT,#10-24

2шт.

27

84821

SCREW,Truss HD, #10 - 24 x 1/2"

2шт.

28

9804258

BOLT,Hex, M8 x 1.25 x 20mm, Cl 8.8

2шт.

29

165109

DECAL

Lube

1шт.

30

84004734

WARNING DECAL

1шт.

31

86610201

INSERT,M8

1шт.

32

86050272

BOLT,M6 x 1 x 18.6mm OAL, Cl 8.8, Full Thd

4шт.

33

86512439

CARRIAGE BOLT,M6 x 16mm, Cl 8.8

3шт.

34

84134452

CONNECTING LINK,RC60, 3/4" Pitch

1шт.

Not Illustrated

1шт.

Выбрано товаров: 35