Запчасти Case IH RB565 (68.170.AH[02]) - DUCKBILL DRIVE MOUNTING PARTS (68) - TYING/WRAPPING

Схема запчастей Case IH RB565 - (68.170.AH[02]) - DUCKBILL DRIVE MOUNTING PARTS (68) - TYING/WRAPPING
17
68.170.ah 01
5
9
8
7
68.170.ax
7
4
14
1
3
12
11
68.170.ap 01
10
13
18
home
6
68.170.am 02
2
16
7
15
FIT
1:1
100%

Артикул

Название

Примечание

Количество

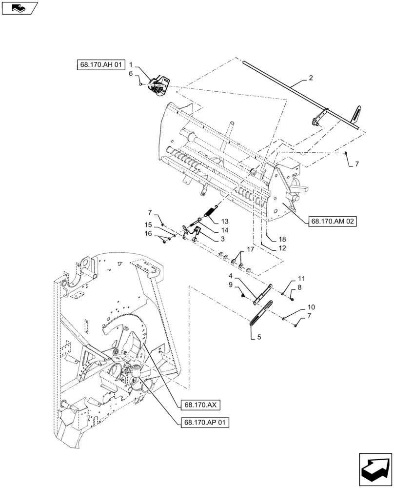
1

0C

ORDER COMPONENTS

Duckbill Drive

1шт.

2

47447547

SHAFT

1шт.

3

0C

ORDER COMPONENTS

Net Brake

1шт.

4

84568800

PLATE

1шт.

5

84568797

ANGLE

1шт.

6

120041

CARRIAGE BOLT,M10 x 20mm, Cl 8.8

2шт.

7

9804278

FLANGE NUT,M10 x 1.5, Cl 8

5шт.

8

9804262

BOLT,M10 x 39.2mm, Cl 8.8

2шт.

9

86633356

CARRIAGE BOLT,M10 x 34.8mm, Cl 8.8

2шт.

10

140045

BELLEVILLE WASHER,M10 Bolt Size x 22mm OD x 1.6mm Thk

2шт.

11

698748

BUSHING,10.3mm ID x 15.88mm OD x 9.53mm L

1шт.

12

280251

COTTER PIN,3/32" OD x 1" OAL

1шт.

13

87605373

SPRING,Extension, 1-3/8" OD x 13-1/4" L

1шт.

14

144403

EYEBOLT

1шт.

15

83918746

WASHER,0.34" ID x 0.69" OD x 0.07" Thk

1шт.

16

9635082

NUT,5/16" - 18, Gr 5

2шт.

17

86624166

WASHER,0.91" ID x 1.5" OD x 0.06" Thk

5шт.

18

280251

COTTER PIN,3/32" OD x 1" OAL

1шт.

Выбрано товаров: 18