Запчасти Case IH RB565 (35.540.AK[02]) - VAR - 726813 - HYDRAULIC BALE DENSITY (35) - HYDRAULIC SYSTEMS

Схема запчастей Case IH RB565 - (35.540.AK[02]) - VAR - 726813 - HYDRAULIC BALE DENSITY (35) - HYDRAULIC SYSTEMS
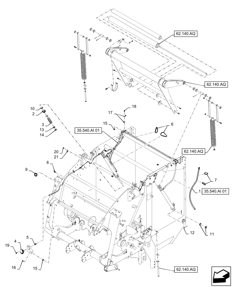
3
6
10
35.540.ai 01
18
62.140.aq
16
19
1
62.140.aq
15
11
21
14
15
5
8
35.540.ai 01
62.140.aq
62.140.aq
9
20
13
4
2
7
17
12
FIT
1:1
100%

Артикул

Название

Примечание

Количество

1

0C

ORDER COMPONENTS

Hydraulics

1шт.

2

226131

PIVOT

1шт.

3

9846489

SPRING,Compression, 1.81" OD x 9.44" L

1шт.

4

84384411

PRESSURE GAUGE,3000 PSI, 1/4" NPT

1шт.

5

241971

HYD CONNECTOR,9/16"-18, 37 Degree x 1/4"-18, Fem Pipe

1шт.

6

87034173

CABLE TIE,774.7mm L

7шт.

7

86566989

CABLE TIE,208mm L

4шт.

8

84292754

CLIP,Cable Tie W/ Fir Tree, 5mm OD x 203mm OAL

3шт.

9

529828

GROMMET,2 1/8" x 2 7/8" x 2 1/2"

1шт.

10

257163

WASHER,25.4mm ID x 50.8mm OD x 4.17mm Thk

2шт.

11

87367

WASHER,1.06" ID x 2" OD x 0.13" Thk

2шт.

12

87399

COTTER PIN,1/2 x 3 Bolt

1шт.

13

9849647

NUT,7/8"-9, G5

1шт.

14

87314

JAM NUT,Jam, 7/8"-9, G2

1шт.

15

86629542

NUT,M8 x 1.25, Cl 8.8

3шт.

16

86511842

BOLT,M8 x 1.25 x 48.1mm OAL, Cl 8.8

2шт.

17

711051

CLAMP

2шт.

18

9671714

FLANGE BOLT,Hex, M8 x 1.25 x 25mm, Cl 8.8

2шт.

19

425520

RIVET,Pop, 3.96mm OD x 10.4mm L

3шт.

20

86010402

CLAMP,12.7mm, Coat, 10.3mm Bolt Hole, P Type

4шт.

21

381014

SCREW,Flng, M8 x 16mm

2шт.

Выбрано товаров: 21