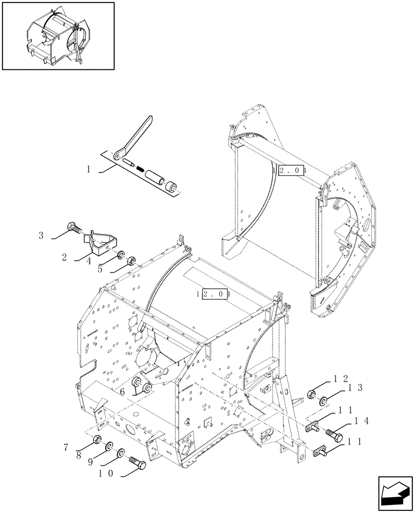
Запчасти Case IH RBX341 (12.05[01]) - FRAME AND TAILGATE (12) - MAIN FRAME

Схема запчастей Case IH RBX341 - (12.05[01]) - FRAME AND TAILGATE (12) - MAIN FRAME
2
7
8
10
13
11
12.04
6
3
14
5
12
12.04
4
11
9
1
FIT
1:1
100%

Артикул

Название

Примечание

Количество

1

84429652

SPECIAL TOOL

1шт.

2

84320014

CLAMP

1шт.

3

80120099

BOLT,Hex, M6 x 16, 8.8

1шт.

4

80322357

LOCK WASHER,Belleville, M6

6MM

1шт.

5

80353308

NUT

M6

1шт.

6

80395087

INSULATOR BLOCK

2шт.

7

80100038

NUT

M12

2шт.

8

89511052

WASHER

14MM

2шт.

9

80140018

WASHER

12MM

2шт.

10

80120083

SCREW

M12x70

2шт.

11

84025522

SUPPORT

Pick-up wheels

2шт.

12

100016

NUT,M10 x 1.5, Cl 8

4шт.

13

80140045

WASHER

10MM

4шт.

14

80120109

SCREW

M10x20

4шт.

Выбрано товаров: 0