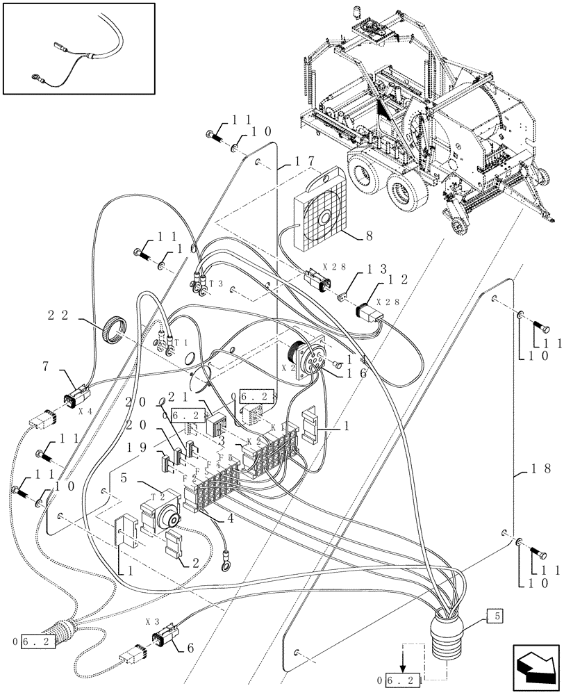
Запчасти Case IH RBX341 (06.24[01]) - CONNECTIONS (06) - ELECTRICAL SYSTEMS

Схема запчастей Case IH RBX341 - (06.24[01]) - CONNECTIONS (06) - ELECTRICAL SYSTEMS
4
3
t2
20
11
10
8
10
17
k2
21
11
14
1
x3
18
1
11
15
5
06.21
11
11
10
t1
f3
10
2
16
06.28
13
x2
x4
f4
k1
f5
10
12
06.28
t3
06.23
20
6
11
7
19
22
f2
x28
x28
FIT
1:1
100%

Артикул

Название

Примечание

Количество

1

84818933

2шт.

2

84818934

4шт.

3

84818930

1шт.

4

84818931

1шт.

5

84818932

1шт.

6

84818766

1шт.

7

80334699

WIRE CONNECTOR

1шт.

8

87010223

BUZZER

1шт.

9

832-46408

NUT,M8 x 1.25, Cl 8

2шт.

10

80140016

WASHER

8MM

2шт.

11

80120103

BOLT,M8 x 1.25 x 16mm, Cl 8.8

M8x16

2шт.

12

84074631

CONTACT HOUSING,Female, 2 Pole

1шт.

13

84074638

LOCKING TAB,Locking Wedge, Green

1шт.

14

84068583

PLUG,12 - 16 Ga, White

2шт.

15

84446643

WIRE HARNESS

(1 to 7, Serial Range: 12-16)

1шт.

16

84074254

CONTACT HOUSING,Male, 9 Pole

1шт.

17

84447243

PLATE

1шт.

18

84446915

PLATE

1шт.

19

84032356

FUSE

30A

1шт.

20

89504308

FUSE,Lt Blue, 15 Amp

15A

2шт.

21

84000651

RELAY

1шт.

22

84074633

COVER

1шт.

PART OF FIP KIT

1шт.

Выбрано товаров: 23