Запчасти Case IH RBX451 (018[2]) - ELECTRIC TWINE WRAP, LH (68) - TYING/WRAPPING

Схема запчастей Case IH RBX451 - (018[2]) - ELECTRIC TWINE WRAP, LH (68) - TYING/WRAPPING
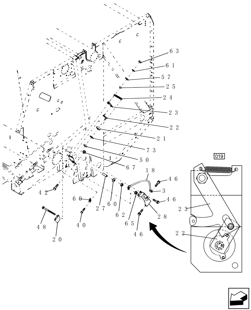
24
18
50
48
22
27
21
3
73
65
62
67
60
28
61
42
46
40
22
46
46
20
23
60
23
63
25
57
FIT
1:1
100%

Артикул

Название

Примечание

Количество

3

515-2279

CLAMP,5/16", Insul, 5/16" Bolt

7шт.

18

86624226

HARNESS

Wire, Main

1шт.

20

86637389

SPRING

Bale Shape

2шт.

21

86509329

MOUNTING PLATE

2шт.

22

86619565

SUPPORT

2шт.

23

86637391

ARM

2шт.

24

217465

SPRING

Extension

2шт.

25

177822

SPACER,8.33mm ID x 12.7mm OD x 4.32mm Thk

21/64" ID x .500" OD x .170" Lg.

2шт.

26

86500902

POTENTIOMETER,3000 Ohm, 16 VDC

Bale Shape

2шт.

27

718782

SPACER

4шт.

28

86506979

SHIELD

LH

1шт.

40

614-4020

BOLT,Hex, M4 x 0.7 x 20mm, Cl 8.8, Full Thd

4шт.

42

614-8020

BOLT,Hex, M8 x 1.25 x 20mm

6шт.

46

905-8016

BOLT,Hex Flg, M8 x 16mm

6шт.

48

433-548

CARRIAGE BOLT,Sq Nk, 5/16" - 18 x 3", Gr 5

4шт.

50

86613601

WASHER,14.88mm ID x 28.69mm OD x 7.35mm Thk

Urethane

2шт.

57

495-21038

WASHER,5/16"

2шт.

60

322358

BELLEVILLE WASHER,M8 Bolt Size x 18mm OD x 1.4mm Thk

8шт.

61

492-11031

LOCK WASHER,5/16"

2шт.

62

425-105

NUT,5/16"-18, G5

4шт.

63

825-1408

NUT,M8, Cl 8

4шт.

65

231-5145

SERRATED NUT,Flg, USR, 5/16"-18

1шт.

67

825-5148

SERRATED NUT,M8, Flg Ser

4шт.

73

100-3437

SNAP RING,#37, Ext

2шт.

Выбрано товаров: 24