Запчасти Case IH RBX451 (056) - INFEED DISC KIT (88) - ACCESSORIES

Схема запчастей Case IH RBX451 - (056) - INFEED DISC KIT (88) - ACCESSORIES
1
5
1
6
6
1
1
4
1
1
1
1
1
5
3
2
1
1
4
2
3
FIT
1:1
100%

Артикул

Название

Примечание

Количество

1

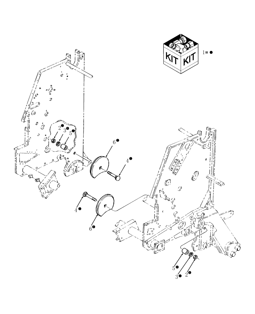
86643767

DIA KIT, HARVESTER

Infeed Disc, Includes: Ref. 2 - 6 & Instructions

1шт.

Refer to Installation Instructions for Correct Assembly Procedure

1шт.

2

425-108

NUT,1/2" - 13, Gr 5

2шт.

3

80679

LOCK WASHER,1/20.507 CST ZND

2шт.

4

433-852

CARRIAGE BOLT,Sq Nk, 1/2" - 13 x 3 1/4", Gr 5

2шт.

5

86559259

SPACER

2шт.

6

86503055

DISC

Infeed

2шт.

Выбрано товаров: 7