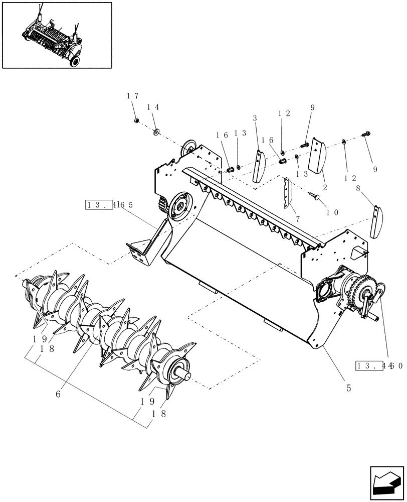
Запчасти Case IH RBX452 (13.620) - ROTOR FEEDER (13) - FEEDER

Схема запчастей Case IH RBX452 - (13.620) - ROTOR FEEDER (13) - FEEDER
16
12
13.460
9
18
13
13.465
13
16
1
18
9
17
2
10
14
3
7
19
6
8
12
4
19
5
FIT
1:1
100%

Артикул

Название

Примечание

Количество

1

0C

ORDER COMPONENTS

Drive, Rotor, RH

1шт.

2

86613005

STRIP

11шт.

Prior to P.I.N. HBJ039346

1шт.

2

87036958

CHANNEL

11шт.

P.I.N. HBJ039347 & After

1шт.

3

86603220

STRIP

RH

2шт.

4

0C

ORDER COMPONENTS

Rotor Drive, LH

1шт.

5

86635198

FRAME ASSY

Rotor

1шт.

6

86642417

ROTOR ASSY.

Feeder, 3/8" Tk. Fingers - 3 Piece

1шт.

Components are N.S.S.

1шт.

Prior to P.I.N. HBJ039346

1шт.

6

87036974

ROTOR

Feeder, 5/16" Tk. Fingers - 1 Piece

1шт.

P.I.N. HBJ039347 & After

1шт.

9

844-8025

BOLT,Hvy Hex, M8 x 25mm, Cl 8.8

26шт.

12

322358

BELLEVILLE WASHER,M8 Bolt Size x 18mm OD x 1.4mm Thk

26шт.

13

495-11034

WASHER,5/16", SAE

1шт.

16

86610201

INSERT,M8

Threaded, M8

26шт.

18

87032628

FINGER

Large, 422 mm OD

12шт.

P.I.N. HBJ039347 & After

1шт.

19

87032629

FINGER

Small, 399 mm OD

2шт.

P.I.N. HBJ039347 & After

1шт.

Выбрано товаров: 21