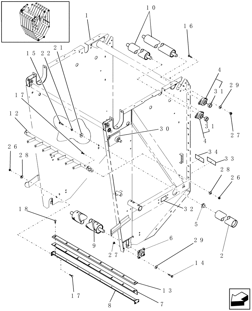
Запчасти Case IH RBX452 (14.42) - TAILGATE & LOOP ROLLS (14) - BALE CHAMBER

Схема запчастей Case IH RBX452 - (14.42) - TAILGATE & LOOP ROLLS (14) - BALE CHAMBER
17
27
4
12
33
26
18
7
28
6
30
22
1
34
14
5
10
31
21
28
29
15
17
9
8
26
29
31
2
27
32
16
4
13
FIT
1:1
100%

Артикул

Название

Примечание

Количество

1

87019771

TAILGATE

North America

1шт.

1

87019773

TAILGATE

Europe & R.O.W.

1шт.

2

86502852

ROLLER,114.3mm OD x 1176mm L

Tailgate, Middle

1шт.

4

86590751

BEARING ASSY,40mm ID

Includes: Ref. 31

4шт.

5

86501067

SUPPORT

2шт.

6

86590753

BEARING ASSY

2шт.

7

86628014

ANGLE

1шт.

8

86628012

SUPPORT

1шт.

9

86978348

ROLL

Tailgate, Nose

1шт.

10

86607896

ROLL

Tailgate, Top

2шт.

12

86628013

GUIDE

1шт.

13

87028677

SCRAPER

Blade

1шт.

14

614-12035

BOLT,Hex, M12 x 1.75 x 35mm, Cl 8.8, Full Thd

8шт.

15

814-12050

BOLT,Hex, M12 x 1.75 x 50mm, Cl 8.8

2шт.

16

811-12040

CARRIAGE BOLT,Sht Sq Nk, M12 x 1.75 x 40mm, Cl 8.8

8шт.

17

811-10030

CARRIAGE BOLT,Sht Sq Nk, M10 x 1.5 x 30mm, Cl 8.8

8шт.

18

391510

SELF-TAP SCREW,Hex Wshr Hd, M8 x 1.25 x 20mm

Self-Tapping, M8 x 1.25 x 20

8шт.

21

29684

WASHER,13.5mm ID x 50.8mm OD x 5.52mm Thk

17/32" ID x 2" OD x 3/16" Thk

2шт.

22

65319

WASHER,13.1mm ID x 25.4mm OD x 3.68mm Thk

2шт.

26

825-2410

FLANGE NUT,M10 x 1.5, Flg, Cl 8

8шт.

27

825-1412

NUT,M12, Cl 8

12шт.

28

140045

BELLEVILLE WASHER,M10 Bolt Size x 22mm OD x 1.6mm Thk

8шт.

29

140046

BELLEVILLE WASHER,M12 Bolt Size x 27mm OD x 1.8mm Thk

16шт.

30

87040146

SHAFT

LH

1шт.

Welding Required

1шт.

30

87040147

SHAFT

RH

1шт.

Welding Required

1шт.

31

563733

COLLAR

Lock

4шт.

32

86631519

DANGER DECAL

English

1шт.

32

86632802

DECAL

DANGER, French

1шт.

33

86547781

REFLECTOR,RED

Red Retroreflective

2шт.

34

86631516

WARNING DECAL

English

1шт.

34

86632799

DANGER DECAL

WARNING, French

1шт.

Выбрано товаров: 0