Запчасти Case IH RBX452 (08.96[2]) - DECALS, LH, NORTH AMERICA (08) - SHEET METAL/DECALS

Схема запчастей Case IH RBX452 - (08.96[2]) - DECALS, LH, NORTH AMERICA (08) - SHEET METAL/DECALS
25
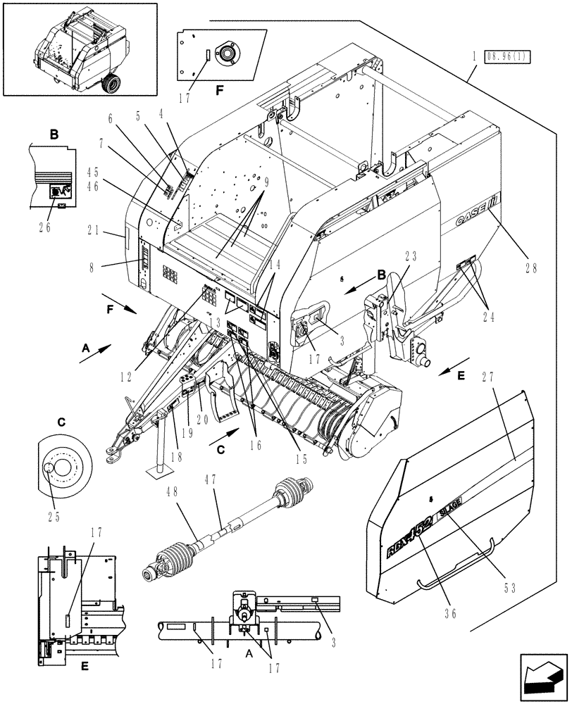
08.96(1)
48
6
19
27
17
24
18
17
12
17
26
36
53
5
45
9
17
13
3
1
7
8
14
17
23
46
28
4
20
16
15
3
47
21
FIT
1:1
100%

Артикул

Название

Примечание

Количество

1

87037751

DECAL KIT

Includes: Decals Shown in Fig. 08.96-1, 08.96-2 & Decal Placement Guide.

1шт.

3

87037375

WARNING DECAL

Net Knife, English

2шт.

3

87037730

DECAL

WARNING, Net Knife, French

1шт.

Locate French Decal Adjacent to English Decal Where Possible. Install French Decal Over English Decal Where Necessary

1шт.

4

86978512

DECAL

Bale Stop

1шт.

5

86619205

DECAL

Bale Size

1шт.

6

86619207

DECAL

Latch Open

1шт.

7

86619208

DECAL

Latch Closed

1шт.

8

86642358

DECAL

Cut

1шт.

9

86643977

ANTI-SKID STRIP,4” x 40”, Black

Safety Step, 4" x 40"

3шт.

12

86979306

EMBLEM

CIH Logo

1шт.

13

86622073

WARNING DECAL

English

1шт.

13

86622074

WARNING DECAL

French

1шт.

Locate French Decal Adjacent to English Decal Where Possible. Install French Decal Over English Decal Where Necessary

1шт.

14

86631516

WARNING DECAL

English

2шт.

14

86632799

DANGER DECAL

WARNING, French

2шт.

Locate French Decal Adjacent to English Decal Where Possible. Install French Decal Over English Decal Where Necessary

1шт.

15

87014378

WARNING DECAL

Electric Risk, English

1шт.

15

87014380

WARNING DECAL

DANGER, Electric Risk, French

1шт.

Locate French Decal Adjacent to English Decal Where Possible. Install French Decal Over English Decal Where Necessary

1шт.

16

86632699

WARNING DECAL

English

1шт.

16

86632803

WARNING DECAL

WARNING, French

1шт.

Locate French Decal Adjacent to English Decal Where Possible. Install French Decal Over English Decal Where Necessary

1шт.

17

165109

DECAL

Lube Fitting

4шт.

18

9826789

DANGER DECAL,180mm x 90mm H

English

1шт.

18

9827448

DANGER DECAL

French

1шт.

Locate French Decal Adjacent to English Decal Where Possible. Install French Decal Over English Decal Where Necessary

1шт.

19

28296

DECAL

1шт.

20

86640394

DECAL

C-V Driveline Lube, 8 Hr. Lube Interval

1шт.

21

86547782

REFLECTOR,YELLOW

Yellow Retroreflective

2шт.

23

86631518

DANGER DECAL

English

4шт.

23

86632801

DECAL

DANGER, French

4шт.

Locate French Decal Adjacent to English Decal Where Possible. Install French Decal Over English Decal Where Necessary

1шт.

24

86631519

DANGER DECAL

English

3шт.

24

86632802

DECAL

DANGER, French

3шт.

Locate French Decal Adjacent to English Decal Where Possible. Install French Decal Over English Decal Where Necessary

1шт.

25

86636717

DECAL

Circle

1шт.

26

86642356

DECAL

Net Routing

1шт.

27

87016866

DECAL

LH, Front Stripe

1шт.

28

86979672

DECAL

LH, Stripe, CIH

1шт.

36

87018431

DECAL

RBX452

2шт.

45

NS

NOT SERVICED

Model Plate

1шт.

46

86598785

SELF-TAP SCREW

Rd Hd, Stainless Steel, #4 x 1/4"

2шт.

47

849471

DANGER DECAL

English

1шт.

47

849482

DANGER DECAL

French

1шт.

Locate French Decal Adjacent to English Decal Where Possible. Install French Decal Over English Decal Where Necessary

1шт.

48

849472

DANGER DECAL

English

1шт.

48

849483

DANGER DECAL

French

1шт.

Locate French Decal Adjacent to English Decal Where Possible. Install French Decal Over English Decal Where Necessary

1шт.

53

86629878

DECAL

Silage

1шт.

Выбрано товаров: 50