Запчасти Case IH RBX453 (SECTION 07[RBX453]) - PICTORIAL INDEX, HYDRAULICS (00) - GENERAL

Схема запчастей Case IH RBX453 - (SECTION 07[RBX453]) - PICTORIAL INDEX, HYDRAULICS (00) - GENERAL
07.46
07.27
07.43
07.15
14.40
14.30
07.10
07.15
07.10
07.27
FIT
1:1
100%

Артикул

Название

Примечание

Количество

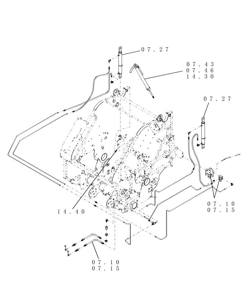
07.10

HYDRAULICS, NORTH AMERICA

1шт.

07.15

HYDRAULICS, EUROPE & R.O.W.

1шт.

07.27

HYDRAULICS CYLINDER, TAILGATE LIFT

1шт.

07.43

HYDRAULICS, BALE TENSION CYLINDERS

1шт.

07.46

HYDRAULICS, BALE TENSION, SINGLE CYLINDER

1шт.

14.30

BELT TENSION

1шт.

14.40

TAILGATE LATCH

1шт.

Выбрано товаров: 0