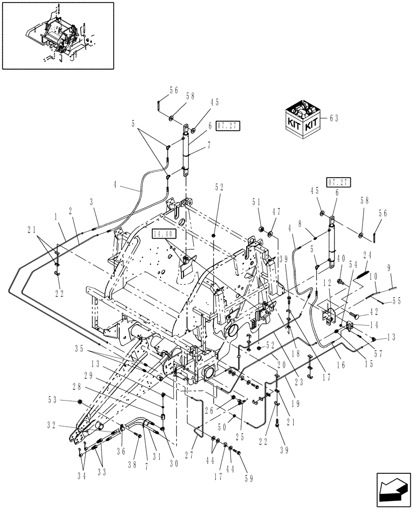
Запчасти Case IH RBX453 (07.10) - HYDRAULICS, NORTH AMERICA (07) - HYDRAULIC SYSTEM

Схема запчастей Case IH RBX453 - (07.10) - HYDRAULICS, NORTH AMERICA (07) - HYDRAULIC SYSTEM
35
20
32
21
44
19
17
6
38
17
12
34
30
45
14
22
5
52
18
53
28
16
45
07.27
14.40
9
07.27
1
25
26
4
63
39
47
24
2
6
13
44
57
55
7
15
31
33
58
21
54
13
58
52
8
36
51
22
10
42
50
39
23
5
29
4
3
56
56
59
7
27
40
FIT
1:1
100%

Артикул

Название

Примечание

Количество

1

86618744

HYD TUBE,0.375" OD

Includes: Ref. 60 & 64

1шт.

2

86618743

HYD TUBE,0.375" OD

Includes: Ref. 60 & 64

1шт.

3

781609

HOSE

1шт.

4

9621560

FLEXIBLE HOSE,9.53mm ID x 352.55mm L, SAE 100R17

2шт.

5

76344

90 ELBOW,9/16" - 18 JIC x 9/16" - 18 ORB

Incl. Ref. 62

3шт.

6

87018026

HYDRAULIC CYLINDER

Tailgate Lift

2шт.

Manufacturer's Production Date Stamp - (ex. M 02 2003 = M / week / year )

1шт.

7

529070

CABLE TIE,368.3mm L

CABLE STRAP

4шт.

8

76350

HYD CONNECTOR,9/16" - 18 ORB x 9/16" - 18 JIC

Incl Ref 62

1шт.

9

9822419

HANDLE

1шт.

10

87018326

HANDLE

1шт.

12

86505231

CHANNEL

1шт.

13

9822400

90 ELBOW

Straight Thread, Includes: Ref. 61

2шт.

14

9822383

HYDRAULIC VALVE

Includes: Ref. 63

1шт.

15

517310

HYD CONNECTOR

Rigid, Male, 9/16"-18 SAE to 3/4"-16 SAE, Includes: Ref. 61

1шт.

16

86621179

HOSE,9.52 mm ID x 406.40 mm, SAE 100R2

1шт.

17

604901

CLAMP

Single, 3/8" Tubing

5шт.

19

86619755

HYD TUBE,9.50 mm OD

LH, Includes: Ref. 60 & 64

1шт.

20

86619756

HYD TUBE,9.50 mm OD

LH, Includes: Ref. 60 & 64

1шт.

22

604896

CLAMP,Dual, 3/8" Hose, 6mm Bolt

Double, 3/8" Tubing

5шт.

23

86619757

HYD TUBE,9.50 mm OD

LH, Includes: Ref. 60 & 64

1шт.

24

217465

SPRING

Extension

1шт.

25

87022794

3 WAY CONNECTION

Swivel Nut Branch

1шт.

26

86500924

GROMMET

4шт.

27

86619981

HYD TUBE,9.50 mm OD

Includes: Ref. 60 & 64

1шт.

28

86635143

COUPLING,3/4" - 16, 1-9/64" L

3/4"-16 SAE

1шт.

29

86517438

ORIFICE

1шт.

30

218-5106

90 ELBOW,90 Degree Elbow, 3/4" - 16 Male JIC x 3/4" - 16 Male ORB

Includes: Ref. 61

1шт.

31

86632192

HOSE,9.53mm ID x 3708.4mm L, SAE 100R17

.62" OD

1шт.

32

86632191

HOSE,12.7mm ID x 3708.4mm L, SAE 100R17

1шт.

33

9801618

QUICK MALE COUPLING,1/2" - 14

Male, 1/2"-14 NPTF

2шт.

34

86621124

DUST CAP

2шт.

35

322897

HYD CONNECTOR,9/16" - 18 x 9/16" - 18

2шт.

36

86628564

CLAMP,31.7mm, Coat, 10.3mm Bolt Hole, P Type

2шт.

38

844-10030

BOLT,Hvy Hex, M10 x 30mm, Cl 8.8

2шт.

39

814-6030

BOLT,Hex, M6 x 1 x 30mm, Cl 8.8

7шт.

40

256873

BOLT,Hex Serr, 5/16" - 18 x 1/2", 5SPL, Full Thd

2шт.

42

811-8020

CARRIAGE BOLT,Sht Sq Nk, M8 x 1.25 x 20mm, Cl 8.8

2шт.

44

495-21031

WASHER,1/4"

14шт.

45

495-11106

WASHER,1", SAE

4шт.

47

322358

BELLEVILLE WASHER,M8 Bolt Size x 18mm OD x 1.4mm Thk

2шт.

50

173011

GROMMET,1” ID x 1.750” OD x .500” Tk

1-3/4" OD x 1" ID

1шт.

51

825-1408

NUT,M8, Cl 8

2шт.

52

832-46406

NUT,M6 x 1, Cl 8

9шт.

53

825-2410

FLANGE NUT,M10 x 1.5, Flg, Cl 8

1шт.

54

86632551

NUT,#10-24, GB

1шт.

55

86523956

COTTER PIN,5/32" x 1"

1шт.

56

432-1228

COTTER PIN,3/16" x 1 3/4"

2шт.

57

86900322

SCREW,Phillips Drive, Truss HD, #10 - 24 x 1-1/4", SST

Truss Hd, Stainless Steel, #10-24 x 1-1/4"

1шт.

58

26402

WASHER,25.8mm ID x 38.1mm OD x 1.7mm Thk

(.060" Thk, 1-1/2" OD)

2шт.

59

814-6040

BOLT,Hex, M6 x 1 x 40mm, Cl 8.8

3шт.

60

514926

TUBE NUT,37 Degree, 9/16"-18, Type B

1шт.

Not Illustrated

1шт.

61

237-6008

O-RING,0.087" Thk x 0.644" ID, -908, Cl 6, 90 Duro

1шт.

Not Illustrated

1шт.

62

237-6006

O-RING,0.078" Thk x 0.468" ID, -906, Cl 6, 90 Duro

1шт.

Not Illustrated

1шт.

63

9848054

SEAL KIT

Services Ref. 14

1шт.

64

222-1584

FERRULE,Flareless, 3/8" Tube

1шт.

Not Illustrated

1шт.

Выбрано товаров: 60