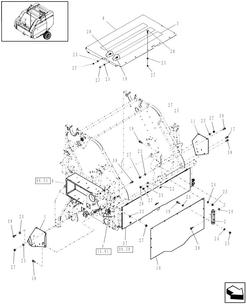
Запчасти Case IH RBX453 (08.55) - SHIELDS, BALE COMMAND™, TWINE, P.I.N. Y6N016414 & AFTER (08) - SHEET METAL/DECALS

Схема запчастей Case IH RBX453 - (08.55) - SHIELDS, BALE COMMAND™, TWINE, P.I.N. Y6N016414 & AFTER (08) - SHEET METAL/DECALS
23
11
23
08.54
08.39
15.01
17
26
27
24
23
38
23
4
37
24
22
27
8
23
38
27
27
19
23
9
20
23
23
20
27
1
38
38
24
2
20
3
27
27
25
38
23
24
10
19
19
27
23
27
25
FIT
1:1
100%

Артикул

Название

Примечание

Количество

1

87054829

SHEET ASSY.

RH

1шт.

2

87046080

ANGLE

2шт.

3

86643977

ANTI-SKID STRIP,4” x 40”, Black

3шт.

4

0C

ORDER COMPONENTS

Electric Twine Wrap

1шт.

8

87017062

FLOOR

1шт.

9

0C

ORDER COMPONENTS

Twine Box

1шт.

10

87041094

SHIELD

Rubber

1шт.

11

87054828

SHEET ASSY.

LH

1шт.

17

844-6020

BOLT,Hvy Hex, M6 x 20mm, Cl 8.8

1шт.

19

844-8020

BOLT,Hvy Hex, M8 x 20mm, Cl 8.8

12шт.

20

811-8020

CARRIAGE BOLT,Sht Sq Nk, M8 x 1.25 x 20mm, Cl 8.8

13шт.

22

322357

BELLEVILLE WASHER,M6 Bolt Size x 14mm OD x 1.3mm Thk

1шт.

23

322358

BELLEVILLE WASHER,M8 Bolt Size x 18mm OD x 1.4mm Thk

24шт.

24

495-21038

WASHER,5/16"

16шт.

25

86629542

NUT,M8 x 1.25, Cl 8.8

8шт.

26

825-2406

FLANGE NUT,M6 x 1, Cl 8.8

1шт.

27

825-2408

FLANGE NUT,M8 x 1.25, Flg, Cl 8

23шт.

37

87014355

DOOR ASSY.

North America, Includes: Decals

1шт.

Decals are Not Illustrated in this Figure. Refer to Decal Figure for Proper Decal Location.

1шт.

38

86511841

BOLT,Flng, M8 x 1.25 x 16mm, Full Thd, Cl 8.8

7шт.

Выбрано товаров: 0