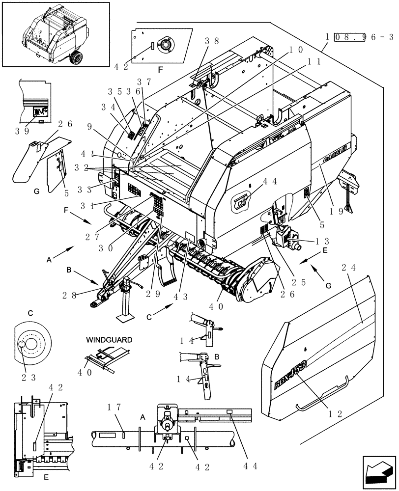
Запчасти Case IH RBX453 (08.96[4]) - DECALS, LH, EUROPE & R.O.W. (08) - SHEET METAL/DECALS

Схема запчастей Case IH RBX453 - (08.96[4]) - DECALS, LH, EUROPE & R.O.W. (08) - SHEET METAL/DECALS
41
35
31
40
13
5
42
9
26
17
29
37
38
27
44
5
32
11
12
30
08.96-3
28
24
43
25
39
1
42
19
42
34
26
40
14
44
42
23
36
10
14
33
FIT
1:1
100%

Артикул

Название

Примечание

Количество

1

87055519

DECAL KIT

Includes: Decals Shown in Fig. 08.96-3, 08.96-4 & Decal Placement Guide.

1шт.

2

86642355

DECAL

Oil Level

1шт.

3

86626471

EMBLEM

CIH Logo

1шт.

4

718861

DECAL

Attention

1шт.

5

9846526

DECAL

Tailgate

4шт.

6

NS

NOT SERVICED

Model PIN Plate

1шт.

10

NS

NOT SERVICED

Factory Plate

1шт.

11

NS

NOT SERVICED

EC Plate

1шт.

12

87056427

DECAL

RBX453

2шт.

13

84078384

DECAL

2шт.

14

84100296

DECAL

3шт.

15

86979673

DECAL

RH Stripe, CIH

1шт.

16

87022793

DECAL

1шт.

17

86516139

CAUTION DECAL

1шт.

18

9826684

DECAL

Locking

1шт.

19

86979672

DECAL

LH Stripe, CIH

1шт.

22

87016867

DECAL

RH, Front Stripe

1шт.

23

NSS

NOT SOLD SEPARAT

DECAL, Circle

2шт.

24

87016866

DECAL

LH, Front Stripe

1шт.

25

84004736

DANGER DECAL

2шт.

26

84004734

WARNING DECAL

2шт.

27

86979306

EMBLEM

CIH Logo

1шт.

28

730650

DECAL

540 RPM

1шт.

29

86518436

WARNING DECAL

1шт.

30

NSS

NOT SOLD SEPARAT

DECAL, Electric Risk

1шт.

31

84014114

CAUTION DECAL

1шт.

32

86643977

ANTI-SKID STRIP,4” x 40”, Black

Safety Step, 4" x 40"

3шт.

33

86642358

DECAL

Cut

1шт.

34

86619208

DECAL

Latch Closed

1шт.

35

86619205

DECAL

Latch Open

1шт.

36

86619207

DECAL

Bale Size

1шт.

37

86978512

DECAL

Bale Stop

1шт.

38

449973

DECAL

2шт.

39

86642356

DECAL

Net Routing

1шт.

40

86619595

DECAL

Stripe, White & Black

2шт.

41

425520

RIVET,Pop, 3.96mm OD x 10.4mm L

Blind, 4 x 10

6шт.

42

165109

DECAL

Lube Fitting

4шт.

44

87037743

WARNING DECAL

Net Knife

2шт.

Выбрано товаров: 0