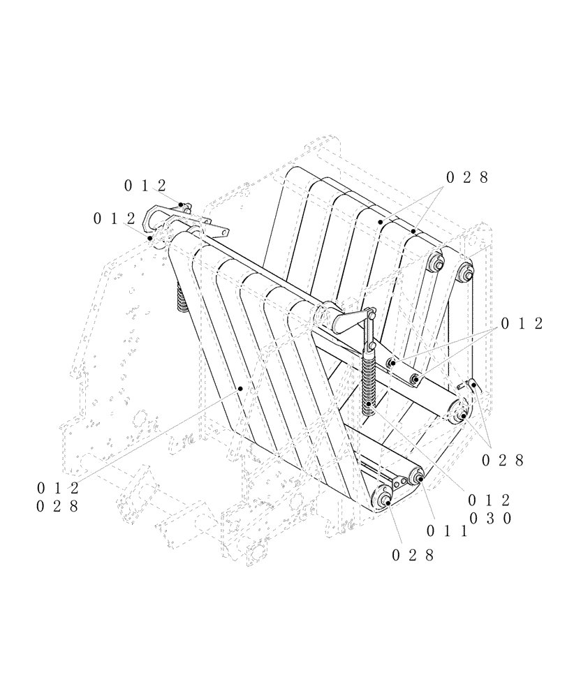
Запчасти Case IH RBX461 (INDEX[5]) - PICTORIAL INDEX, BELTS & IDLER ROLLERS (011, 012, 028 & 030) (00) - GENERAL & PICTORIAL INDEX

Схема запчастей Case IH RBX461 - (INDEX[5]) - PICTORIAL INDEX, BELTS & IDLER ROLLERS (011, 012, 028 & 030) (00) - GENERAL & PICTORIAL INDEX
012
012
030
012
028
012
012
028
028
011
028
FIT
1:1
100%

Артикул

Название

Примечание

Количество

011

MAIN FRAME, DRIVE & BACK WRAP ROLLER

1шт.

012

TAKE-UP ARM, SPRINGS & SERPENTINE ROLLER

1шт.

028

TAILGATE, BELTS & CONVEYOR

1шт.

030

SPRING

1шт.

Выбрано товаров: 4