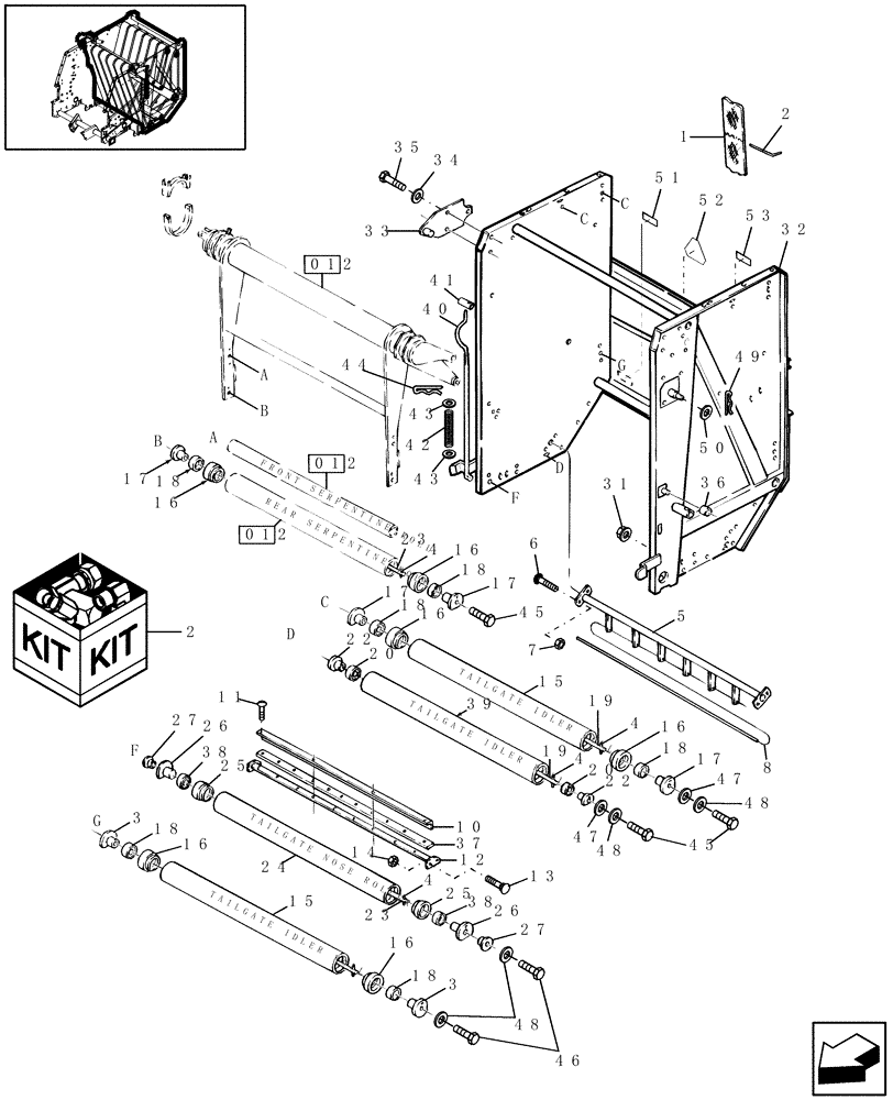
Запчасти Case IH RBX461 (028) - TAILGATE, BELTS & CONVEYOR (62) - PRESSING - BALE FORMATION

Схема запчастей Case IH RBX461 - (028) - TAILGATE, BELTS & CONVEYOR (62) - PRESSING - BALE FORMATION
27
b
c
1
52
a
25
33
18
16
tailgate idler roll
49
25
51
47
31
48
53
19
2
22
40
c
18
50
4
17
46
20
tailgate idler roll
b
48
19
41
10
4
36
rear serpentine roll
16
d
23
3
45
34
g
c
14
47
13
43
6
tailgate nose roller
22
3
16
5
18
43
16
11
012
f
012
42
27
8
37
2
18
a
32
24
39
front serpentine roll
23
d
44
38
38
4
16
18
20
45
35
7
17
48
16
15
26
4
12
17
18
g
012
15
f
26
tailgate idler roll
17
FIT
1:1
100%

Артикул

Название

Примечание

Количество

1

86616066

BELT,177.80 mm W x 10681.00 mm L

Laced, Chevron

6шт.

1

87032888

BELT,7.00" W x 420.50" L

Endless, Chevron

6шт.

2

86625980

DIA KIT, HARVESTER

Lacing Cable, Includes: (18) Cable Tubes, (8) Lacing Cables & Instructions

1шт.

Kit will service 1 Baler.

1шт.

9847138

REPAIR KIT

Lacing, Includes: Box of 18 Cards, 45 Hooks per Card

1шт.

3

86501067

SUPPORT

2шт.

4

838-5526

LOCK PIN,M5 x 26, Slotted

12шт.

5

86628013

GUIDE

Belt

1шт.

6

811-10030

CARRIAGE BOLT,Sht Sq Nk, M10 x 1.5 x 30mm, Cl 8.8

7шт.

7

825-1410

NUT,M10, Cl 8

7шт.

8

9800832

ROD

Belt Guide

1шт.

9

432-816

COTTER PIN,1/8" x 1"

2шт.

10

86628015

ANGLE

1шт.

11

391510

SELF-TAP SCREW,Hex Wshr Hd, M8 x 1.25 x 20mm

Self Tapping, M8 x 20

8шт.

12

86628012

SUPPORT

1шт.

13

811-10030

CARRIAGE BOLT,Sht Sq Nk, M10 x 1.5 x 30mm, Cl 8.8

4шт.

14

825-51410

FLANGE NUT,M10, Flg Ser

4шт.

15

86502852

ROLLER,114.3mm OD x 1176mm L

Tailgate Idler, 4 1/2", Includes: (2) Ref. 16

3шт.

16

86500662

BEARING ASSY

Includes: Ref. 18

6шт.

17

86516322

SUPPORT

6шт.

18

8050825

BEARING, ROLLER, CYL,38.1 mm ID x 80 mm OD x 30.163 mm

6шт.

19

9823371

SHAFT

Includes (1) Pins

4шт.

29684

WASHER,13.5mm ID x 50.8mm OD x 5.52mm Thk

17/32" ID x 2" OD x 3/16" Thk

8шт.

614-12030

BOLT,Hex, M12 x 1.75 x 30mm, Cl 8.8, Full Thd

8шт.

20

8050825

BEARING, ROLLER, CYL,38.1 mm ID x 80 mm OD x 30.163 mm

2шт.

65319

WASHER,13.1mm ID x 25.4mm OD x 3.68mm Thk

8шт.

21

86521602

SUPPORT

2шт.

22

86521602

SUPPORT

2шт.

23

9823372

SHAFT,1135mm L

Includes (2) Pins

1шт.

24

9829398

ROLLER

Tailgate Nose, 5.56", Includes: Ref. 25

1шт.

25

9848489

BEARING ASSY,73 mm ID x 132.1976 mm OD x 38.10 mm, Round Bore

Includes, Ref. 38 Bearing

2шт.

26

86521601

SUPPORT

2шт.

27

9614071

CAP COVER

2шт.

30

811-8020

CARRIAGE BOLT,Sht Sq Nk, M8 x 1.25 x 20mm, Cl 8.8

4шт.

31

825-2408

FLANGE NUT,M8 x 1.25, Flg, Cl 8

4шт.

32

86637096

TAILGATE

Includes: Ref. 51 - 53

1шт.

33

86637243

PLATE ASSY.

2шт.

34

273127

WASHER,16.67mm ID x 28.57mm OD x 7.37mm Thk

1-1/8" OD

10шт.

35

614-16050

BOLT,Hex, M16 x 2 x 50mm, Cl 8.8, Full Thd

10шт.

36

9829271

SPACER

2шт.

37

9845575

SCRAPER BLADE

1шт.

38

8050825

BEARING, ROLLER, CYL,38.1 mm ID x 80 mm OD x 30.163 mm

2шт.

39

9842286

ROLLER

Tailgate Idler, 3-1/2"

1шт.

40

86637214

ROD

1шт.

41

9845448

PIN,31.7mm OD x 83.7mm L

1шт.

42

86628108

SPRING

1шт.

43

495-21044

WASHER,3/8"

2шт.

44

432-812

COTTER PIN,3/4" OAL x 1/8" W

1шт.

45

614-12030

BOLT,Hex, M12 x 1.75 x 30mm, Cl 8.8, Full Thd

6шт.

46

814-12050

BOLT,Hex, M12 x 1.75 x 50mm, Cl 8.8

4шт.

47

29684

WASHER,13.5mm ID x 50.8mm OD x 5.52mm Thk

17/32" ID x 2" OD x 3/16" Thk

6шт.

48

65319

WASHER,13.1mm ID x 25.4mm OD x 3.68mm Thk

8шт.

49

432-1228

COTTER PIN,3/16" x 1 3/4"

2шт.

50

495-11106

WASHER,1", SAE

2шт.

51

86631519

DANGER DECAL

English

1шт.

51

86632802

DECAL

DANGER, French

1шт.

52

86547711

DECAL,SMV

SMV

1шт.

53

86631516

WARNING DECAL

English

1шт.

53

86632799

DANGER DECAL

WARNING, French

1шт.

Выбрано товаров: 59