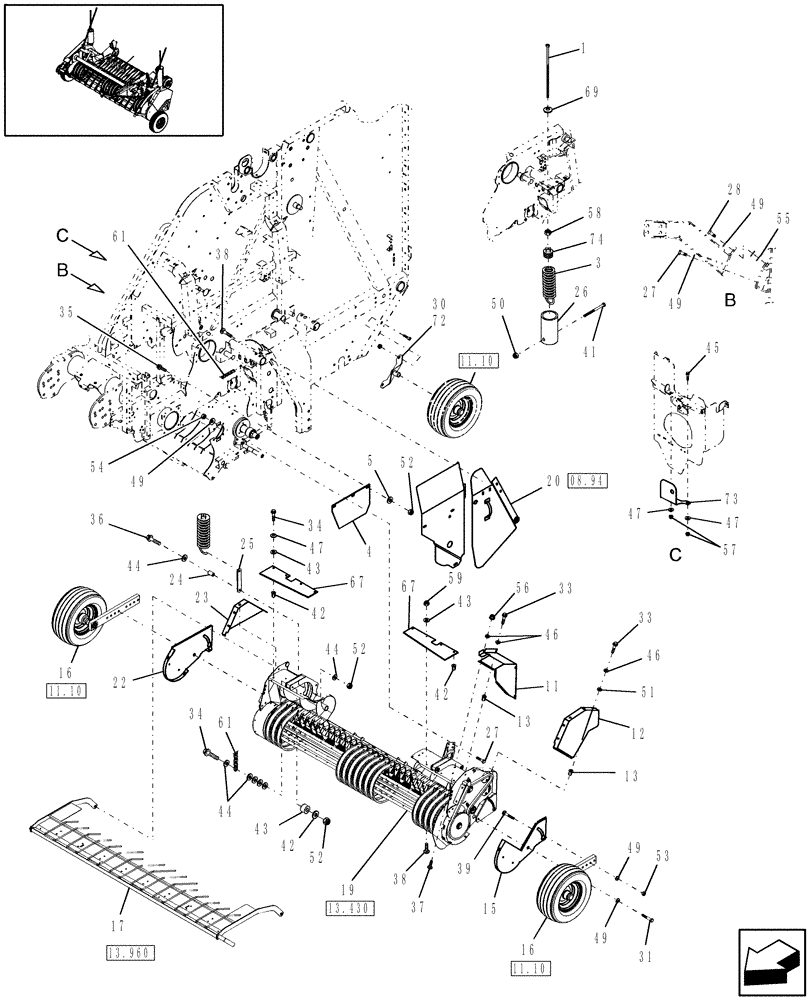
Запчасти Case IH RBX462 (13.416) - 2M WIDE PICKUP W/ ROTOR, EUROPE & R.O.W. (13) - FEEDER

Схема запчастей Case IH RBX462 - (13.416) - 2M WIDE PICKUP W/ ROTOR, EUROPE & R.O.W. (13) - FEEDER
12
44
38
11.10
49
74
33
61
17
73
13.960
54
49
30
16
13
34
44
69
11.10
67
58
46
13
37
49
20
19
34
53
08.94
39
43
42
26
47
43
11
49
27
46
41
25
42
13.430
44
52
3
5
1
47
16
11.10
31
50
47
61
51
45
52
27
4
42
33
52
15
43
49
28
35
57
38
72
55
67
22
23
24
56
59
36
FIT
1:1
100%

Артикул

Название

Примечание

Количество

1

86632865

BOLT,444.50mm

1/2"-13 x 17-1/2" L

2шт.

3

86630851

SPRING

2шт.

4

86631989

SKIRT

Rotor

2шт.

5

235126

WASHER,10.3mm ID x 38mm OD x 1.7mm Thk

Special

6шт.

11

87045582

SHIELD

Rotor

1шт.

12

86626278

SHIELD

Upper, LH

1шт.

13

86610198

INSERT,M6 x 1

Threaded, M6

13шт.

15

86626383

SHIELD

Lower, LH

1шт.

16

0C

ORDER COMPONENTS

Pickup Wheel & Arm

2шт.

17

0C

ORDER COMPONENTS

Windguard

1шт.

19

0C

ORDER COMPONENTS

Pickup

1шт.

20

0C

ORDER COMPONENTS

Shield

1шт.

22

86625649

SHIELD

Lower, RH

1шт.

23

87055752

SHIELD

Upper, RH

1шт.

24

705996

BUSHING

7/8" L

2шт.

25

86621725

STRAP

2шт.

26

86900779

SHIELD

2шт.

27

614-12040

BOLT,Hex, M12 x 1.75 x 40mm, Cl 8.8, Full Thd

8шт.

28

614-12030

BOLT,Hex, M12 x 1.75 x 30mm, Cl 8.8, Full Thd

2шт.

30

87026838

BRACKET

Transport, LH

1шт.

Use Existing Hardware

1шт.

Vertical retaining pins required

1шт.

31

814-12060

BOLT,Hex, M12 x 1.75 x 60mm, Cl 8.8

2шт.

33

844-6025

BOLT,Hvy Hex, M6 x 25mm, Cl 8.8

19шт.

34

9804265

FLANGE BOLT,Hex, M10 x 60mm, Cl 8.8

2шт.

35

844-10025

BOLT,Hex, M10 x 25mm, Cl 8.8

6шт.

36

844-10040

BOLT,Hvy Hex, M10 x 40mm, Cl 8.8

4шт.

37

9706703

CARRIAGE BOLT,Sht Sq Nk, M6 x 1 x 20mm, Cl 8.8, Full Thd

1шт.

38

86507486

CARRIAGE BOLT,M8 x 1.25 x 20mm, Cl 8.8

6шт.

39

80043480

BOLT

Rnd Hd Square Neck, M8.8 Course Thd

2шт.

41

413-480

BOLT,Hex, 1/4" - 20 x 5", Gr 5

2шт.

42

86610200

THREADED INSERT,M8 x 1.25

M8

2шт.

43

80664

WASHER,0.38" ID x 0.88" OD x 0.08" Thk

8шт.

44

495-21044

WASHER,3/8"

14шт.

45

844-8020

BOLT,Hvy Hex, M8 x 20mm, Cl 8.8

1шт.

46

322357

BELLEVILLE WASHER,M6 Bolt Size x 14mm OD x 1.3mm Thk

20шт.

47

322358

BELLEVILLE WASHER,M8 Bolt Size x 18mm OD x 1.4mm Thk

4шт.

48

140045

BELLEVILLE WASHER,M10 Bolt Size x 22mm OD x 1.6mm Thk

2шт.

49

140046

BELLEVILLE WASHER,M12 Bolt Size x 27mm OD x 1.8mm Thk

14шт.

50

231-4144

NUT,1/4"-20, GB

2шт.

51

495-21031

WASHER,1/4"

8шт.

52

832-46410

NUT,M10 x 1.5, Cl 8

8шт.

53

9804279

FLANGE NUT,Hex, M12, Cl 8

2шт.

54

825-1412

NUT,M12, Cl 8

6шт.

55

131405

SHIM

.025"

1шт.

56

825-2406

FLANGE NUT,M6 x 1, Cl 8.8

1шт.

57

825-2408

FLANGE NUT,M8 x 1.25, Flg, Cl 8

1шт.

58

425-288

FLANGE NUT,Flg, 1/2"-13, G5

2шт.

59

86629542

NUT,M8 x 1.25, Cl 8.8

6шт.

61

86631510

CHAIN,850.9mm L

Coil, 33 Links

2шт.

67

86625457

FLAP

2шт.

69

65319

WASHER,13.1mm ID x 25.4mm OD x 3.68mm Thk

2шт.

72

87026536

BRACKET

Transport, RH

1шт.

Use Existing Hardware

1шт.

Vertical retaining pins required

1шт.

73

87026987

SHIELD

RH, Rotor Clutch

1шт.

74

86631096

SPRING NUT

Spring

2шт.

Выбрано товаров: 57