Запчасти Case IH RBX462 (SECTION 07[RBX462]) - PICTORIAL INDEX, HYDRAULICS (00) - GENERAL

Схема запчастей Case IH RBX462 - (SECTION 07[RBX462]) - PICTORIAL INDEX, HYDRAULICS (00) - GENERAL
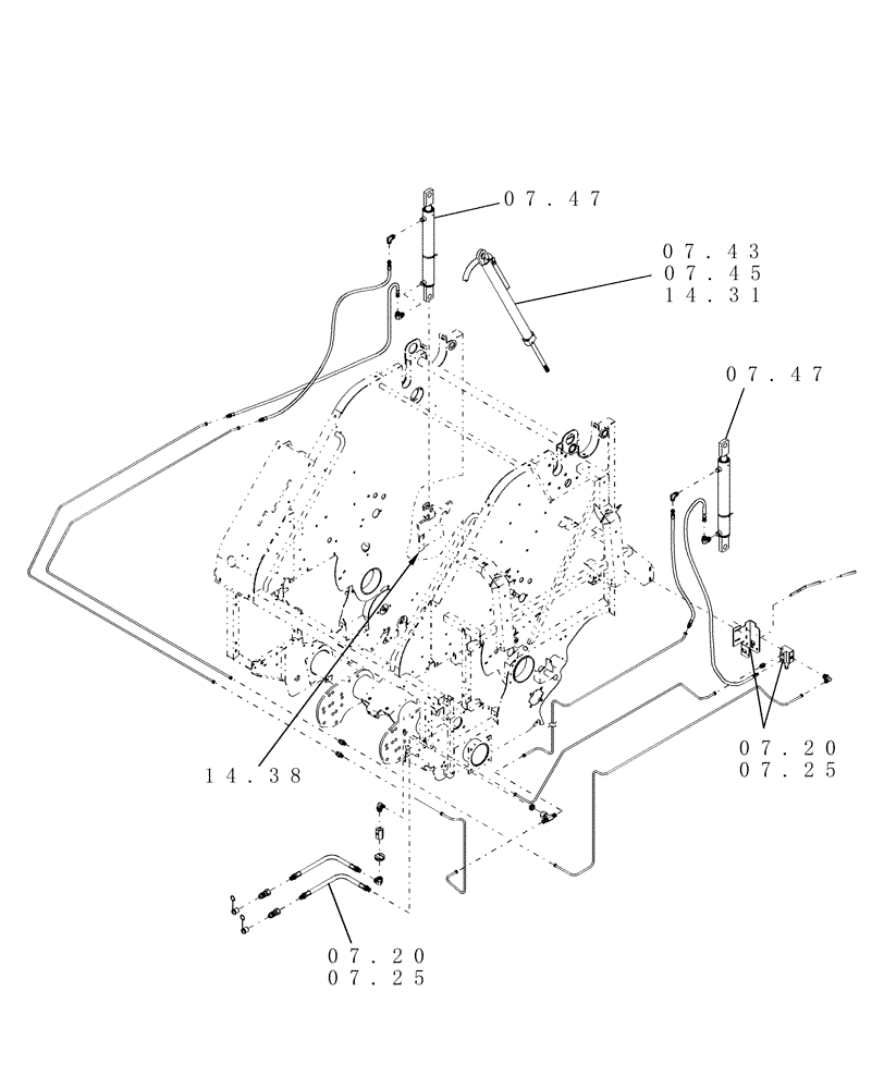
14.38
07.25
07.43
07.20
07.47
07.47
07.25
14.31
07.20
07.45
FIT
1:1
100%

Артикул

Название

Примечание

Количество

07.20

HYDRAULICS, NORTH AMERICA

1шт.

07.25

HYDRAULICS, EUROPE & R.O.W.

1шт.

07.43

HYDRAULICS, BALE TENSION CYLINDERS

1шт.

07.45

HYDRAULICS, BALE TENSION, SINGLE CYLINDER

1шт.

07.47

HYDRAULIC CYLINDER, TAILGATE LIFT

1шт.

14.31

BELT TENSION

1шт.

14.38

TAILGATE LATCH

1шт.

Выбрано товаров: 7